一看就会的产品使用要领解说
尺寸・CAD
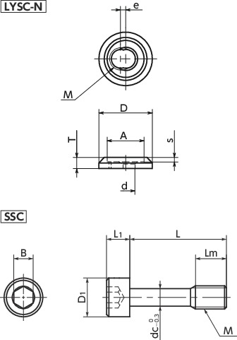
单位 : mm
| 型号 | 拉手用防脱落垫圈 LYSC-N | 防脱落螺丝 SSC | 质量 (g) |
CAD下载 | 请求报价 | ||||||||||||
|---|---|---|---|---|---|---|---|---|---|---|---|---|---|---|---|---|---|
| D | M | d | e | A | T | s | M | L | Lm | D1 | L1 | B | dc | ||||
| LYSC-12-N-SSC-M5-12 | 12 | 5 | 4.2 | 1.2 | 8.3 | 2.5 | 1 | 5 | 12 | 6 | 8.5 | 5 | 4 | 3.9 | 4.4 | CAD | 请求报价 |
| LYSC-12-N-SSC-M5-16 | 12 | 5 | 4.2 | 1.2 | 8.3 | 2.5 | 1 | 5 | 16 | 6 | 8.5 | 5 | 4 | 3.9 | 4.9 | CAD | 请求报价 |
| LYSC-16A-N-SSC-M5-12 | 16 | 5 | 4.2 | 1.5 | 10.3 | 3 | 1.5 | 5 | 12 | 6 | 8.5 | 5 | 4 | 3.9 | 6.1 | CAD | 请求报价 |
| LYSC-16A-N-SSC-M5-16 | 16 | 5 | 4.2 | 1.5 | 10.3 | 3 | 1.5 | 5 | 16 | 6 | 8.5 | 5 | 4 | 3.9 | 6.6 | CAD | 请求报价 |
材质、表面处理
| LYSC-N-SSC | |
|---|---|
| 拉手用防脱落垫圈LYSC-N | SUS304 滚筒抛光 |
| 防脱落螺丝SSC | SUSXM7(相当于SUS304) |
特点
- 在防止筐体内部螺丝脱落的同时,将拉手的安装面装饰得更为美观。
- 无需对安装拉手的盖子、门等进行追加工。
- 适用于需防止零部件脱落的食品机械、包装机械、药品制造装置等。
- 附带安装用的防脱落螺丝SSC。
安装方法
- 请将附带的防脱落螺丝SSC穿过盖子、门,自拉手的安装面将其拧入位于偏移拉手用防脱落垫圈LYSC-N中心的偏心位置的螺孔中,直至SSC的圆柱部贯穿图2。
- 请将SSC移动至LYSC-N中心的钻孔位置图3。
- 请在图3的状态下,紧固SSC后安装拉手图4。
- 安装后,拉手的螺孔及SSC将保持在LYSC-N的中心。此时,LYSC-N中心处的钻孔比SSC的螺纹部小,SSC不会从钻孔中掉出,因此可防止脱落。

適用取っ手
| 型号 | 适用的拉手 | |||||
|---|---|---|---|---|---|---|
|
UNF
UNFS
UNFA
UNF UNF-H UNF-SH UNFS UNFS-H UNFS-SH UNFA |
UMP
USP
UAP
UMP USP USP-A4 UAP |
UHF
UHFS
UHF UHFS |
UGF
UGF |
UFF
UFFS
UFF UFFS |
TG
TG |
|
| LYSC-12-N-SSC | UMP-8-** USP-8-** UAP-8-** |
UFF-8-30-CR UFFS-8-30 |
TG-108 TG-128 |
|||
| LYSC-16A-N-SSC | 所有产品 | UMP-10-** USP-10-** UAP-10-** |
所有产品 | 所有产品 | UFF-10-40-CR UFFS-10-40 |
TG-110 TG-130 |






