尺寸・CAD
单位 : mm
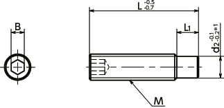
| 型号 | M(粗牙) 螺纹公称直径 |
螺距 | L | L1 | d2 | B | 质量 (g) |
CAD下载 | 请求报价 |
|---|---|---|---|---|---|---|---|---|---|
| SDS-M3-10 | M3 | 0.5 | 10 | 2.5 | 2.5 | 1.5 | 0.4 | CAD | 请求报价 |
| SDS-M3-12 | M3 | 0.5 | 12 | 2.5 | 2.5 | 1.5 | 0.5 | CAD | 请求报价 |
| SDS-M3-16 | M3 | 0.5 | 16 | 2.5 | 2.5 | 1.5 | 0.6 | CAD | 请求报价 |
| SDS-M3-20 | M3 | 0.5 | 20 | 2.5 | 2.5 | 1.5 | 0.7 | CAD | 请求报价 |
| SDS-M4-12 | M4 | 0.7 | 12 | 3 | 3 | 2 | 0.8 | CAD | 请求报价 |
| SDS-M4-16 | M4 | 0.7 | 16 | 3 | 3 | 2 | 1 | CAD | 请求报价 |
| SDS-M4-20 | M4 | 0.7 | 20 | 3 | 3 | 2 | 1.3 | CAD | 请求报价 |
| SDS-M4-25 | M4 | 0.7 | 25 | 3 | 3 | 2 | 1.6 | CAD | 请求报价 |
| SDS-M4-30 | M4 | 0.7 | 30 | 3 | 3 | 2 | 2 | CAD | 请求报价 |
| SDS-M5-12 | M5 | 0.8 | 12 | 4 | 4 | 2.5 | 1.3 | CAD | 请求报价 |
| SDS-M5-16 | M5 | 0.8 | 16 | 4 | 4 | 2.5 | 1.5 | CAD | 请求报价 |
| SDS-M5-20 | M5 | 0.8 | 20 | 4 | 4 | 2.5 | 2 | CAD | 请求报价 |
| SDS-M5-25 | M5 | 0.8 | 25 | 4 | 4 | 2.5 | 2.7 | CAD | 请求报价 |
| SDS-M5-30 | M5 | 0.8 | 30 | 4 | 4 | 2.5 | 3.3 | CAD | 请求报价 |
| SDS-M6-12 | M6 | 1 | 12 | 5 | 4 | 3 | 1.5 | CAD | 请求报价 |
| SDS-M6-16 | M6 | 1 | 16 | 5 | 4 | 3 | 1.9 | CAD | 请求报价 |
| SDS-M6-20 | M6 | 1 | 20 | 5 | 4 | 3 | 2.6 | CAD | 请求报价 |
| SDS-M6-25 | M6 | 1 | 25 | 5 | 4 | 3 | 3.5 | CAD | 请求报价 |
| SDS-M6-30 | M6 | 1 | 30 | 5 | 4 | 3 | 4.4 | CAD | 请求报价 |
| SDS-M6-35 | M6 | 1 | 35 | 5 | 4 | 3 | 5.3 | CAD | 请求报价 |
| SDS-M6-40 | M6 | 1 | 40 | 5 | 4 | 3 | 6.2 | CAD | 请求报价 |
| SDS-M8-16 | M8 | 1.25 | 16 | 6.5 | 6 | 4 | 3.3 | CAD | 请求报价 |
| SDS-M8-20 | M8 | 1.25 | 20 | 6.5 | 6 | 4 | 4.6 | CAD | 请求报价 |
| SDS-M8-25 | M8 | 1.25 | 25 | 6.5 | 6 | 4 | 6.2 | CAD | 请求报价 |
| SDS-M8-30 | M8 | 1.25 | 30 | 6.5 | 6 | 4 | 7.8 | CAD | 请求报价 |
| SDS-M8-35 | M8 | 1.25 | 35 | 6.5 | 6 | 4 | 9.4 | CAD | 请求报价 |
| SDS-M8-40 | M8 | 1.25 | 40 | 6.5 | 6 | 4 | 10.1 | CAD | 请求报价 |
| SDS-M8-45 | M8 | 1.25 | 45 | 6.5 | 6 | 4 | 12.5 | CAD | 请求报价 |
材质、表面处理
| SDS | |
|---|---|
| 主体 | 相当于SCM435(硬度45HRC以上) 四氧化三铁保护膜(黑) |
特点
- 螺丝前端为棒形。
- 通过将前端的棒形部分嵌入配合材料的槽或孔中,可以用于定位和止转。










