尺寸・CAD
单位 : mm
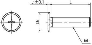
| 型号 | M(粗牙) 螺纹公称直径 |
螺距 | L | D1 | L1 | 适用钻子 | 最大紧固 扭矩 (N・m) |
每包数量 | 质量 (g) |
CAD下载 | 请求报价 |
|---|---|---|---|---|---|---|---|---|---|---|---|
| SEQ-M3-6-TBZ | M3 | 0.5 | 6 | 7 | 0.8 | SKQB-1 | 0.7 | 50 | 0.39 | CAD | 请求报价 |
| SEQ-M3-8-TBZ | M3 | 0.5 | 8 | 7 | 0.8 | SKQB-1 | 0.7 | 50 | 0.48 | CAD | 请求报价 |
| SEQ-M3-10-TBZ | M3 | 0.5 | 10 | 7 | 0.8 | SKQB-1 | 0.7 | 50 | 0.56 | CAD | 请求报价 |
| SEQ-M3-12-TBZ | M3 | 0.5 | 12 | 7 | 0.8 | SKQB-1 | 0.7 | 50 | 0.64 | CAD | 请求报价 |
| SEQ-M4-8-TBZ | M4 | 0.7 | 8 | 8 | 0.9 | SKQB-2 | 1.8 | 50 | 0.8 | CAD | 请求报价 |
| SEQ-M4-10-TBZ | M4 | 0.7 | 10 | 8 | 0.9 | SKQB-2 | 1.8 | 50 | 0.95 | CAD | 请求报价 |
| SEQ-M4-12-TBZ | M4 | 0.7 | 12 | 8 | 0.9 | SKQB-2 | 1.8 | 50 | 1.1 | CAD | 请求报价 |
| SEQ-M4-16-TBZ | M4 | 0.7 | 16 | 8 | 0.9 | SKQB-2 | 1.8 | 50 | 1.4 | CAD | 请求报价 |
材质、表面处理
| SEQ-TBZ | |
|---|---|
| 主体 | SWCH 黑色三价铬酸盐处理 |
用途
设备、装置的省空间化特点
- 头部高度极低的十字槽螺栓。
- 可节省设备与装置的空间或用于上部空间有限的部位。
- 十字槽采用QuaStix*1。使用QuaStix对应的专用螺丝批头SKQB,可提高扭矩的传递性能,抑制滑脱并减少十字槽的损坏。*2
*1:QuaStix是OSG株式会社的注册商标。
*2:使用普通十字螺丝批头也可安装或拆卸。



/11576_1.jpg?upd=20250730130343&awscf_publishdate=2026-04-30 10:37)





