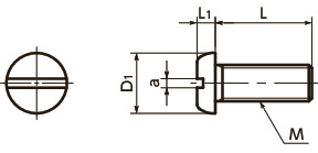
尺寸・CAD
单位 : mm
| 型号 | M(粗牙) 螺纹公称直径 |
螺距 | L | D1 | L1 | a | 最大紧固 扭矩 (N・m) |
每包数量 | 质量 (g) |
CAD下载 | 请求报价 |
|---|---|---|---|---|---|---|---|---|---|---|---|
| SNZS-S0.6-1 | S0.6 | 0.15 | 1 | 1.3 | 0.4 | 0.25 | 0.005 | 10 | 0.0031 | CAD | 请求报价 |
| SNZS-S0.6-1.5 | S0.6 | 0.15 | 1.5 | 1.3 | 0.4 | 0.25 | 0.005 | 10 | 0.0045 | CAD | 请求报价 |
| SNZS-S0.6-2 | S0.6 | 0.15 | 2 | 1.3 | 0.4 | 0.25 | 0.005 | 10 | 0.0058 | CAD | 请求报价 |
| SNZS-S0.8-1 | S0.8 | 0.2 | 1 | 1.6 | 0.5 | 0.25 | 0.01 | 10 | 0.0067 | CAD | 请求报价 |
| SNZS-S0.8-1.5 | S0.8 | 0.2 | 1.5 | 1.6 | 0.5 | 0.25 | 0.01 | 10 | 0.0091 | CAD | 请求报价 |
| SNZS-S0.8-2 | S0.8 | 0.2 | 2 | 1.6 | 0.5 | 0.25 | 0.01 | 10 | 0.011 | CAD | 请求报价 |
●数量未满1包的订单,会另外收取手续费。详情请垂询散装零售服务。
相关服务
材质、表面处理
| SNZS-S | |
|---|---|
| 主体 | SUSXM7(相当于SUS304) |
用途
仪器、装置的小型化小型精密仪器
特点
- S0.6 - S0.8。用于精密仪器的精密螺丝。
- 头部高度较低的盘头小螺钉型。适用于上部空间受限的场合。








