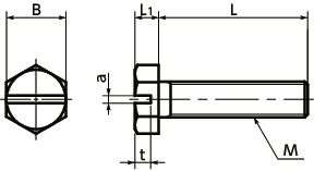
尺寸・CAD
单位 : mm
| 型号 | M(粗牙) 螺纹公称直径 |
螺距 | L | B | L1 | a | t | 拉伸断裂 载荷(N)*1 |
扭转断裂 扭矩 (N・m)*1 |
每包数量 | 质量 (g) |
CAD下载 | 请求报价 |
|---|---|---|---|---|---|---|---|---|---|---|---|---|---|
| SPFA-M4-10-H | M4 | 0.7 | 10 | 7 | 2.8 | 1 | 1.4 | 118 | 0.06 | 10 | 0.47 | CAD | 请求报价 |
| SPFA-M4-12-H | M4 | 0.7 | 12 | 7 | 2.8 | 1 | 1.4 | 118 | 0.06 | 10 | 0.52 | CAD | 请求报价 |
| SPFA-M4-15-H | M4 | 0.7 | 15 | 7 | 2.8 | 1 | 1.4 | 118 | 0.06 | 10 | 0.59 | CAD | 请求报价 |
| SPFA-M4-20-H | M4 | 0.7 | 20 | 7 | 2.8 | 1 | 1.4 | 118 | 0.06 | 10 | 0.72 | CAD | 请求报价 |
| SPFA-M4-25-H | M4 | 0.7 | 25 | 7 | 2.8 | 1 | 1.4 | 118 | 0.06 | 10 | 0.86 | CAD | 请求报价 |
| SPFA-M4-30-H | M4 | 0.7 | 30 | 7 | 2.8 | 1 | 1.4 | 118 | 0.06 | 10 | 0.99 | CAD | 请求报价 |
| SPFA-M5-10-H | M5 | 0.8 | 10 | 8 | 3.5 | 1.2 | 1.8 | 191 | 0.1 | 10 | 0.76 | CAD | 请求报价 |
| SPFA-M5-12-H | M5 | 0.8 | 12 | 8 | 3.5 | 1.2 | 1.8 | 191 | 0.1 | 10 | 0.83 | CAD | 请求报价 |
| SPFA-M5-15-H | M5 | 0.8 | 15 | 8 | 3.5 | 1.2 | 1.8 | 191 | 0.1 | 10 | 0.93 | CAD | 请求报价 |
| SPFA-M5-20-H | M5 | 0.8 | 20 | 8 | 3.5 | 1.2 | 1.8 | 191 | 0.1 | 10 | 1.2 | CAD | 请求报价 |
| SPFA-M5-25-H | M5 | 0.8 | 25 | 8 | 3.5 | 1.2 | 1.8 | 191 | 0.1 | 10 | 1.4 | CAD | 请求报价 |
| SPFA-M5-30-H | M5 | 0.8 | 30 | 8 | 3.5 | 1.2 | 1.8 | 191 | 0.1 | 10 | 1.6 | CAD | 请求报价 |
| SPFA-M6-10-H | M6 | 1 | 10 | 10 | 4 | 1.2 | 2.1 | 267 | 0.2 | 10 | 1.3 | CAD | 请求报价 |
| SPFA-M6-12-H | M6 | 1 | 12 | 10 | 4 | 1.2 | 2.1 | 267 | 0.2 | 10 | 1.4 | CAD | 请求报价 |
| SPFA-M6-15-H | M6 | 1 | 15 | 10 | 4 | 1.2 | 2.1 | 267 | 0.2 | 10 | 1.5 | CAD | 请求报价 |
| SPFA-M6-20-H | M6 | 1 | 20 | 10 | 4 | 1.2 | 2.1 | 267 | 0.2 | 10 | 1.8 | CAD | 请求报价 |
| SPFA-M6-25-H | M6 | 1 | 25 | 10 | 4 | 1.2 | 2.1 | 267 | 0.2 | 10 | 2.1 | CAD | 请求报价 |
| SPFA-M6-30-H | M6 | 1 | 30 | 10 | 4 | 1.2 | 2.1 | 267 | 0.2 | 10 | 2.4 | CAD | 请求报价 |
| SPFA-M8-10-H | M8 | 1.25 | 10 | 13 | 5.5 | 1.6 | 2.8 | 494 | 0.44 | 5 | 2.6 | CAD | 请求报价 |
| SPFA-M8-12-H | M8 | 1.25 | 12 | 13 | 5.5 | 1.6 | 2.8 | 494 | 0.44 | 5 | 2.8 | CAD | 请求报价 |
| SPFA-M8-15-H | M8 | 1.25 | 15 | 13 | 5.5 | 1.6 | 2.8 | 494 | 0.44 | 5 | 3.1 | CAD | 请求报价 |
| SPFA-M8-20-H | M8 | 1.25 | 20 | 13 | 5.5 | 1.6 | 2.8 | 494 | 0.44 | 5 | 3.5 | CAD | 请求报价 |
| SPFA-M8-25-H | M8 | 1.25 | 25 | 13 | 5.5 | 1.6 | 2.8 | 494 | 0.44 | 5 | 4 | CAD | 请求报价 |
| SPFA-M8-30-H | M8 | 1.25 | 30 | 13 | 5.5 | 1.6 | 2.8 | 494 | 0.44 | 5 | 4.6 | CAD | 请求报价 |
*1: 表中数值仅供参考,并非保证值。推荐紧固扭矩为扭转断裂扭矩的50%。
●数量未满1包的订单,会另外收取手续费。详情请垂询散装零售服务。
相关服务
材质、表面处理
| SPFA-H | |
|---|---|
| 主体 | PFA(全氟烷氧基)(乳白) |
| 耐热温度*1 | 260℃ |
*1: 树脂材料的数值。视紧固扭矩等使用条件的不同,商品的最高使用温度会发生变化。
用途
FPD制造装置/半导体制造装置/印刷电路板蚀刻装置/金属表面处理设备/化学成套设备
特点
- PFA是一种耐热性、电特性、耐药性、耐磨损性优异的塑料。几乎没有药品能侵蚀PFA 。
- 非黏着性、润滑性优良。
- 具有满足UL94标准中V-0级别的高阻燃性。
- 有关树脂螺丝的特性和使用注意事项⇒树脂螺丝的特性








