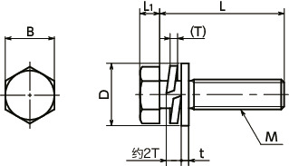
尺寸・CAD
单位 : mm
| 型号 | M(粗牙) 螺纹公称直径 |
螺距 | L | D | L1 | B | t | T (约) |
每包数量 | 质量 (g) |
CAD下载 | 请求报价 |
|---|---|---|---|---|---|---|---|---|---|---|---|---|
| SNHP3S-M4-8 | M4 | 0.7 | 8 | 10 | 2.8 | 7 | 0.8 | 1 | 20 | 2 | CAD | 请求报价 |
| SNHP3S-M4-10 | M4 | 0.7 | 10 | 10 | 2.8 | 7 | 0.8 | 1 | 20 | 2.2 | CAD | 请求报价 |
| SNHP3S-M4-12 | M4 | 0.7 | 12 | 10 | 2.8 | 7 | 0.8 | 1 | 20 | 2.3 | CAD | 请求报价 |
| SNHP3S-M4-16 | M4 | 0.7 | 16 | 10 | 2.8 | 7 | 0.8 | 1 | 20 | 2.6 | CAD | 请求报价 |
| SNHP3S-M5-8 | M5 | 0.8 | 8 | 12 | 3.5 | 8 | 0.8 | 1.3 | 20 | 3.3 | CAD | 请求报价 |
| SNHP3S-M5-10 | M5 | 0.8 | 10 | 12 | 3.5 | 8 | 0.8 | 1.3 | 20 | 3.5 | CAD | 请求报价 |
| SNHP3S-M5-12 | M5 | 0.8 | 12 | 12 | 3.5 | 8 | 0.8 | 1.3 | 20 | 3.8 | CAD | 请求报价 |
| SNHP3S-M5-16 | M5 | 0.8 | 16 | 12 | 3.5 | 8 | 0.8 | 1.3 | 20 | 4.3 | CAD | 请求报价 |
| SNHP3S-M5-20 | M5 | 0.8 | 20 | 12 | 3.5 | 8 | 0.8 | 1.3 | 20 | 4.8 | CAD | 请求报价 |
| SNHP3S-M5-25 | M5 | 0.8 | 25 | 12 | 3.5 | 8 | 0.8 | 1.3 | 20 | 5.3 | CAD | 请求报价 |
| SNHP3S-M5-30 | M5 | 0.8 | 30 | 12 | 3.5 | 8 | 0.8 | 1.3 | 20 | 6 | CAD | 请求报价 |
| SNHP3S-M6-10 | M6 | 1 | 10 | 13 | 4 | 10 | 1 | 1.5 | 20 | 6.5 | CAD | 请求报价 |
| SNHP3S-M6-12 | M6 | 1 | 12 | 13 | 4 | 10 | 1 | 1.5 | 20 | 6.8 | CAD | 请求报价 |
| SNHP3S-M6-16 | M6 | 1 | 16 | 13 | 4 | 10 | 1 | 1.5 | 20 | 7.5 | CAD | 请求报价 |
| SNHP3S-M6-20 | M6 | 1 | 20 | 13 | 4 | 10 | 1 | 1.5 | 20 | 8.2 | CAD | 请求报价 |
| SNHP3S-M6-25 | M6 | 1 | 25 | 13 | 4 | 10 | 1 | 1.5 | 20 | 8.9 | CAD | 请求报价 |
| SNHP3S-M6-30 | M6 | 1 | 30 | 13 | 4 | 10 | 1 | 1.5 | 20 | 9.9 | CAD | 请求报价 |
| SNHP3S-M6-35 | M6 | 1 | 35 | 13 | 4 | 10 | 1 | 1.5 | 20 | 11 | CAD | 请求报价 |
| SNHP3S-M8-12 | M8 | 1.25 | 12 | 18 | 5.5 | 13 | 1.6 | 2 | 10 | 13 | CAD | 请求报价 |
| SNHP3S-M8-16 | M8 | 1.25 | 16 | 18 | 5.5 | 13 | 1.6 | 2 | 10 | 15 | CAD | 请求报价 |
| SNHP3S-M8-20 | M8 | 1.25 | 20 | 18 | 5.5 | 13 | 1.6 | 2 | 10 | 16 | CAD | 请求报价 |
| SNHP3S-M8-25 | M8 | 1.25 | 25 | 18 | 5.5 | 13 | 1.6 | 2 | 10 | 18 | CAD | 请求报价 |
| SNHP3S-M8-30 | M8 | 1.25 | 30 | 18 | 5.5 | 13 | 1.6 | 2 | 10 | 20 | CAD | 请求报价 |
| SNHP3S-M8-35 | M8 | 1.25 | 35 | 18 | 5.5 | 13 | 1.6 | 2 | 10 | 21 | CAD | 请求报价 |
| SNHP3S-M8-40 | M8 | 1.25 | 40 | 18 | 5.5 | 13 | 1.6 | 2 | 10 | 23 | CAD | 请求报价 |
| SNHP3S-M8-45 | M8 | 1.25 | 45 | 18 | 5.5 | 13 | 1.6 | 2 | 10 | 24 | CAD | 请求报价 |
| SNHP3S-M10-20 | M10 | 1.5 | 20 | 22 | 7 | 17 | 1.6 | 2.5 | 10 | 31 | CAD | 请求报价 |
| SNHP3S-M10-25 | M10 | 1.5 | 25 | 22 | 7 | 17 | 1.6 | 2.5 | 10 | 33 | CAD | 请求报价 |
| SNHP3S-M10-30 | M10 | 1.5 | 30 | 22 | 7 | 17 | 1.6 | 2.5 | 10 | 34 | CAD | 请求报价 |
| SNHP3S-M10-35 | M10 | 1.5 | 35 | 22 | 7 | 17 | 1.6 | 2.5 | 10 | 38 | CAD | 请求报价 |
| SNHP3S-M10-40 | M10 | 1.5 | 40 | 22 | 7 | 17 | 1.6 | 2.5 | 10 | 41 | CAD | 请求报价 |
| SNHP3S-M12-20 | M12 | 1.75 | 20 | 26 | 8 | 19 | 2.3 | 3 | 5 | 44 | CAD | 请求报价 |
| SNHP3S-M12-25 | M12 | 1.75 | 25 | 26 | 8 | 19 | 2.3 | 3 | 5 | 48 | CAD | 请求报价 |
| SNHP3S-M12-30 | M12 | 1.75 | 30 | 26 | 8 | 19 | 2.3 | 3 | 5 | 52 | CAD | 请求报价 |
| SNHP3S-M12-35 | M12 | 1.75 | 35 | 26 | 8 | 19 | 2.3 | 3 | 5 | 56 | CAD | 请求报价 |
| SNHP3S-M12-40 | M12 | 1.75 | 40 | 26 | 8 | 19 | 2.3 | 3 | 5 | 60 | CAD | 请求报价 |
| SNHP3S-M12-45 | M12 | 1.75 | 45 | 26 | 8 | 19 | 2.3 | 3 | 5 | 63 | CAD | 请求报价 |
| SNHP3S-M12-50 | M12 | 1.75 | 50 | 26 | 8 | 19 | 2.3 | 3 | 5 | 66 | CAD | 请求报价 |
●数量未满1包的订单,会另外收取手续费。详情请垂询散装零售服务。
相关服务
材质、表面处理
| SNHP3S | |
|---|---|
| 螺纹主体 | 相当于SUS304 |
| 螺纹主体强度等级 | A2-50 |
| 平垫圈 | SUS304 |
| 弹簧垫圈 | 相当于SUS304 |
特点
- 符合JIS B 1187标准的带垫圈六角螺栓。
- 螺丝中装入了旧JIS平垫圈和弹簧垫圈,无需担心脱落。(垫圈简称:P=3)








