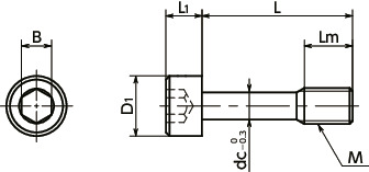
尺寸・CAD
单位 : mm
| 型号 | M(粗牙) 螺纹公称直径 |
螺距 | L | Lm | D1 | L1 | B | dc | 质量 (g) |
CAD下载 | 请求报价 |
|---|---|---|---|---|---|---|---|---|---|---|---|
| SSC-M3-8-FC | M3 | 0.5 | 8 | 4 | 5.5 | 3 | 2.5 | 2.2 | 0.8 | CAD | 请求报价 |
| SSC-M3-10-FC | M3 | 0.5 | 10 | 4 | 5.5 | 3 | 2.5 | 2.2 | 0.88 | CAD | 请求报价 |
| SSC-M3-12-FC | M3 | 0.5 | 12 | 4 | 5.5 | 3 | 2.5 | 2.2 | 0.96 | CAD | 请求报价 |
| SSC-M3-16-FC | M3 | 0.5 | 16 | 4 | 5.5 | 3 | 2.5 | 2.2 | 1.2 | CAD | 请求报价 |
| SSC-M4-10-FC | M4 | 0.7 | 10 | 5 | 7 | 4 | 3 | 3 | 1.8 | CAD | 请求报价 |
| SSC-M4-12-FC | M4 | 0.7 | 12 | 5 | 7 | 4 | 3 | 3 | 2 | CAD | 请求报价 |
| SSC-M4-16-FC | M4 | 0.7 | 16 | 5 | 7 | 4 | 3 | 3 | 2.3 | CAD | 请求报价 |
| SSC-M4-20-FC | M4 | 0.7 | 20 | 5 | 7 | 4 | 3 | 3 | 2.7 | CAD | 请求报价 |
| SSC-M5-12-FC | M5 | 0.8 | 12 | 6 | 8.5 | 5 | 4 | 3.9 | 3 | CAD | 请求报价 |
| SSC-M5-16-FC | M5 | 0.8 | 16 | 6 | 8.5 | 5 | 4 | 3.9 | 3.5 | CAD | 请求报价 |
| SSC-M5-20-FC | M5 | 0.8 | 20 | 6 | 8.5 | 5 | 4 | 3.9 | 4 | CAD | 请求报价 |
| SSC-M5-25-FC | M5 | 0.8 | 25 | 6 | 8.5 | 5 | 4 | 3.9 | 4.8 | CAD | 请求报价 |
| SSC-M6-12-FC | M6 | 1 | 12 | 8 | 10 | 6 | 5 | 4.5 | 5.1 | CAD | 请求报价 |
| SSC-M6-16-FC | M6 | 1 | 16 | 8 | 10 | 6 | 5 | 4.5 | 5.8 | CAD | 请求报价 |
| SSC-M6-20-FC | M6 | 1 | 20 | 8 | 10 | 6 | 5 | 4.5 | 6.5 | CAD | 请求报价 |
| SSC-M6-25-FC | M6 | 1 | 25 | 8 | 10 | 6 | 5 | 4.5 | 7.6 | CAD | 请求报价 |
| SSC-M6-30-FC | M6 | 1 | 30 | 8 | 10 | 6 | 5 | 4.5 | 8.3 | CAD | 请求报价 |
| SSC-M8-16-FC | M8 | 1.25 | 16 | 10 | 13 | 8 | 6 | 6.3 | 12 | CAD | 请求报价 |
| SSC-M8-20-FC | M8 | 1.25 | 20 | 10 | 13 | 8 | 6 | 6.3 | 13 | CAD | 请求报价 |
| SSC-M8-25-FC | M8 | 1.25 | 25 | 10 | 13 | 8 | 6 | 6.3 | 15 | CAD | 请求报价 |
| SSC-M8-30-FC | M8 | 1.25 | 30 | 10 | 13 | 8 | 6 | 6.3 | 17 | CAD | 请求报价 |
| SSC-M8-35-FC | M8 | 1.25 | 35 | 10 | 13 | 8 | 6 | 6.3 | 19 | CAD | 请求报价 |
| SSC-M8-40-FC | M8 | 1.25 | 40 | 10 | 13 | 8 | 6 | 6.3 | 21 | CAD | 请求报价 |
材质、表面处理
| SSC-FC | |
|---|---|
| 主体 | SUSXM7(相当于SUS304) 氟涂层 |
| 强度等级 | A2-70 |
用途
固定保护盖,检查盖对应CE标志
机床/食品机械/电气,电子设备
使用注意事项
- 请将盖子侧的螺孔小径设定在dc尺寸以上。
- 请将盖子厚度设定在0.8mm以上。
安装示例
请在护罩上加工螺纹孔,将SSC-FC的螺纹部穿过。由于SSC-FC的螺纹部卡在盖子的螺孔上,即使从框架上卸下螺丝,SSC-FC也不会从盖子上脱落。










