尺寸・CAD
单位 : inch
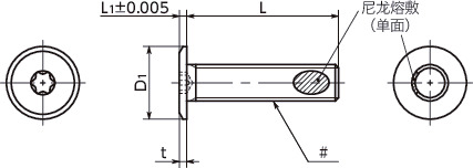
| 型号 | #螺纹公称直径 | L | D1 | L1 | t | 梅花槽 序号 No. |
最大紧固 扭矩 *1(N・m) |
每包数量 | 质量 (g) |
CAD下载 | 请求报价 |
|---|---|---|---|---|---|---|---|---|---|---|---|
| SET-#6-32-1/4-TZB-ALK | No.6-32UNC | 1/4 | 0.295 | 0.034 | 0.029 | 6 | 0.95 | 10 | 0.48 | CAD | 请求报价 |
| SET-#6-32-3/8-TZB-ALK | No.6-32UNC | 3/8 | 0.295 | 0.034 | 0.029 | 6 | 0.95 | 10 | 0.7 | CAD | 请求报价 |
| SET-#6-32-1/2-TZB-ALK | No.6-32UNC | 1/2 | 0.295 | 0.034 | 0.029 | 6 | 0.95 | 10 | 0.9 | CAD | 请求报价 |
| SET-#6-32-3/4-TZB-ALK | No.6-32UNC | 3/4 | 0.295 | 0.034 | 0.029 | 6 | 0.95 | 10 | 1.2 | CAD | 请求报价 |
| SET-#8-32-1/4-TZB-ALK | No.8-32UNC | 1/4 | 0.315 | 0.036 | 0.035 | 8 | 2.3 | 10 | 0.78 | CAD | 请求报价 |
| SET-#8-32-3/8-TZB-ALK | No.8-32UNC | 3/8 | 0.315 | 0.036 | 0.035 | 8 | 2.3 | 10 | 0.98 | CAD | 请求报价 |
| SET-#8-32-1/2-TZB-ALK | No.8-32UNC | 1/2 | 0.315 | 0.036 | 0.035 | 8 | 2.3 | 10 | 1.3 | CAD | 请求报价 |
| SET-#8-32-3/4-TZB-ALK | No.8-32UNC | 3/4 | 0.315 | 0.036 | 0.035 | 8 | 2.3 | 10 | 1.9 | CAD | 请求报价 |
| SET-#10-24-1/2-TZB-ALK | No.10-24UNC | 1/2 | 0.335 | 0.038 | 0.035 | 8 | 2.4 | 10 | 1.6 | CAD | 请求报价 |
| SET-#10-24-5/8-TZB-ALK | No.10-24UNC | 5/8 | 0.335 | 0.038 | 0.035 | 8 | 2.4 | 10 | 1.9 | CAD | 请求报价 |
| SET-#10-24-3/4-TZB-ALK | No.10-24UNC | 3/4 | 0.335 | 0.038 | 0.035 | 8 | 2.4 | 10 | 2.3 | CAD | 请求报价 |
| SET-#10-32-1/2-TZB-ALK | No.10-32UNF | 1/2 | 0.335 | 0.038 | 0.035 | 8 | 2.4 | 10 | 1.7 | CAD | 请求报价 |
| SET-#10-32-5/8-TZB-ALK | No.10-32UNF | 5/8 | 0.335 | 0.038 | 0.035 | 8 | 2.4 | 10 | 2.1 | CAD | 请求报价 |
| SET-#10-32-3/4-TZB-ALK | No.10-32UNF | 3/4 | 0.335 | 0.038 | 0.035 | 8 | 2.4 | 10 | 2.4 | CAD | 请求报价 |
*1: 表中数值仅供参考,并非保证值。
●数量未满1包的订单,会另外收取手续费。详情请垂询散装零售服务。
相关服务
材质、表面处理
| SET-TZB-ALK(INCH) | |
|---|---|
| 主体 | 钢 三价铬酸盐处理 |
| 尼龙熔敷 | 尼龙11 |
用途
设备、装置的省空间化防止螺丝头部破损
牢固紧固
英制螺丝规格的设备、装置
防止螺丝回转、脱落
特点
- 带尼龙熔敷的梅花槽*1超级短头螺栓。英制螺纹型。
- 梅花槽是能比十字槽承受更高紧固扭矩的形状。⇒梅花槽螺丝的特点
- 不易因紧固而导致凹孔破损,可以安全、牢固地进行紧固。
- 可节省设备与装置的空间或用于上部空间有限的部位。
- 通过螺丝部熔敷的尼龙的摩擦阻力来抑制螺丝回转。
- 由于可抑制回转,即使已失去连接力,仍可以防止螺丝脱落。
- 尼龙熔敷的耐热温度为120℃。
*1: 梅花槽的形状在JIS B 1015:2008(ISO 10664:2005)“外螺纹零部件用梅花槽”中有规定。

/11577_1.jpg?upd=20251209111141)
/11591_1.jpg?upd=20251209111141)
/11591_2.jpg?upd=20251209111141)
/11591_3.jpg?upd=20251209111141)
/11591_4.jpg?upd=20251209111141)

/11576_1.jpg?upd=20250731153751&awscf_publishdate=2026-04-28 19:43)





