尺寸・CAD
单位 : mm
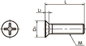
| 型号 | M(粗牙) 螺纹公称直径 |
螺距 | L | D1 | L1 | 十字槽 序号 |
每包数量 | 质量 (g) |
CAD下载 | 请求报价 |
|---|---|---|---|---|---|---|---|---|---|---|
| SNF-M3-5-SD-TZB | M3 | 0.5 | 5 | 5 | 1.3 | 1 | 20 | 0.41 | CAD | 请求报价 |
| SNF-M3-6-SD-TZB | M3 | 0.5 | 6 | 5 | 1.3 | 1 | 20 | 0.45 | CAD | 请求报价 |
| SNF-M3-8-SD-TZB | M3 | 0.5 | 8 | 5 | 1.3 | 1 | 20 | 0.53 | CAD | 请求报价 |
| SNF-M3-10-SD-TZB | M3 | 0.5 | 10 | 5 | 1.3 | 1 | 20 | 0.61 | CAD | 请求报价 |
| SNF-M4-6-SD-TZB | M4 | 0.7 | 6 | 6 | 1.4 | 2 | 20 | 0.73 | CAD | 请求报价 |
| SNF-M4-8-SD-TZB | M4 | 0.7 | 8 | 6 | 1.4 | 2 | 20 | 0.89 | CAD | 请求报价 |
| SNF-M4-10-SD-TZB | M4 | 0.7 | 10 | 6 | 1.4 | 2 | 20 | 1 | CAD | 请求报价 |
| SNF-M4-12-SD-TZB | M4 | 0.7 | 12 | 6 | 1.4 | 2 | 20 | 1.2 | CAD | 请求报价 |
| SNF-M4-16-SD-TZB | M4 | 0.7 | 16 | 6 | 1.4 | 2 | 20 | 1.5 | CAD | 请求报价 |
| SNF-M5-8-SD-TZB | M5 | 0.8 | 8 | 8 | 1.9 | 2 | 20 | 1.7 | CAD | 请求报价 |
| SNF-M5-10-SD-TZB | M5 | 0.8 | 10 | 8 | 1.9 | 2 | 20 | 2 | CAD | 请求报价 |
| SNF-M5-12-SD-TZB | M5 | 0.8 | 12 | 8 | 1.9 | 2 | 20 | 2.2 | CAD | 请求报价 |
| SNF-M5-16-SD-TZB | M5 | 0.8 | 16 | 8 | 1.9 | 2 | 20 | 2.7 | CAD | 请求报价 |
●数量未满1包的订单,会另外收取手续费。详情请垂询散装零售服务。
相关服务
材质、表面处理
| SNF-SD-TZB | |
|---|---|
| 主体 | SWCH 三价铬酸盐处理 |
用途
设备、装置的省空间化特点
- 头部直径较小的十字槽埋头小螺钉。可形成比普通的埋头小螺钉更小的锪孔直径。
- 头部高度也比标准的埋头小螺钉低,最适合于薄板的紧固。









