尺寸・CAD
单位 : mm
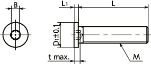
| 型号 | M(粗牙) 螺纹公称直径 |
螺距 | L | D1 | L1 | B | t | 最大紧固 扭矩*1(N・m) |
质量 (g) |
CAD下载 | 请求报价 |
|---|---|---|---|---|---|---|---|---|---|---|---|
| SSHT-M3-6-SD-UT | M3 | 0.5 | 6 | 5 | 1.3 | 1.5 | 2 | 0.6 | 0.2 | CAD | 请求报价 |
| SSHT-M3-8-SD-UT | M3 | 0.5 | 8 | 5 | 1.3 | 1.5 | 2 | 0.6 | 0.25 | CAD | 请求报价 |
| SSHT-M3-10-SD-UT | M3 | 0.5 | 10 | 5 | 1.3 | 1.5 | 2 | 0.6 | 0.29 | CAD | 请求报价 |
| SSHT-M4-8-SD-UT | M4 | 0.7 | 8 | 6 | 1.5 | 2 | 2.5 | 1.2 | 0.44 | CAD | 请求报价 |
| SSHT-M4-10-SD-UT | M4 | 0.7 | 10 | 6 | 1.5 | 2 | 2.5 | 1.2 | 0.53 | CAD | 请求报价 |
| SSHT-M4-12-SD-UT | M4 | 0.7 | 12 | 6 | 1.5 | 2 | 2.5 | 1.2 | 0.61 | CAD | 请求报价 |
| SSHT-M5-10-SD-UT | M5 | 0.8 | 10 | 8 | 1.5 | 3 | 3 | 2.5 | 0.6 | CAD | 请求报价 |
| SSHT-M5-12-SD-UT | M5 | 0.8 | 12 | 8 | 1.5 | 3 | 3 | 2.5 | 0.75 | CAD | 请求报价 |
| SSHT-M5-16-SD-UT | M5 | 0.8 | 16 | 8 | 1.5 | 3 | 3 | 2.5 | 1 | CAD | 请求报价 |
| SSHT-M6-10-SD-UT | M6 | 1 | 10 | 9 | 1.5 | 3 | 4 | 5 | 1 | CAD | 请求报价 |
| SSHT-M6-12-SD-UT | M6 | 1 | 12 | 9 | 1.5 | 3 | 4 | 5 | 1.2 | CAD | 请求报价 |
| SSHT-M6-16-SD-UT | M6 | 1 | 16 | 9 | 1.5 | 3 | 4 | 5 | 1.6 | CAD | 请求报价 |
*1: 表中数值仅供参考,并非保证值。
相关服务
材质、表面处理
| SSHT-SD-UT | |
|---|---|
| 主体 | TW340(2类钛) |
用途
设备、装置的省空间、轻量化汽车、航空宇宙设备、机器人等的轻量化
FPD制造装置/半导体制造装置/电气·电子设备/海洋设备/电镀设备
特点
- 纯钛制内六角极短头小头螺栓。
- 头部高度均在1.5mm以下。可实现设备、装置的小型化或用于上部空间有限的用途。
- 由于头部直径较小,可形成比普通的内六角极短头螺栓更小的锪孔直径。
- 比重约为不锈钢的60%。
- 无磁性。
- 耐药品性、耐海水性优异。
- 钛合金材质的特性请参阅“钛合金的特性”。⇒钛的特性
使用例
还能对普通的内六角极短头螺栓未能进行锪孔加工的部位进行锪孔加工,从而可以隐藏头部。
使用注意事项
- 头部底座面的面积小,底座面压力高。
- 请参考以下公式,注意不要让由螺丝紧固而形成的底座面压力超出被紧固材料的容许表面压力。

头部直径和螺丝有效截面积
| 型号 | 头部直径(mm) | 螺丝有效截面积(mm2) |
|---|---|---|
| SSHT-M3-SD-UT | 5 | 5.03 |
| SSHT-M4-SD-UT | 6 | 8.78 |
| SSHT-M5-SD-UT | 8 | 14.2 |
| SSHT-M6-SD-UT | 9 | 20.1 |








