尺寸・CAD
单位 : mm
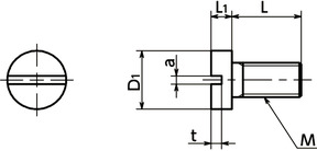
| 型号 | M(粗牙) 螺纹公称直径 |
螺距 | L | D1 | L1 | a | t | 质量 (g) |
CAD下载 | 请求报价 |
|---|---|---|---|---|---|---|---|---|---|---|
| SICX-M3-5-SX | M3 | 0.5 | 5 | 5.5 | 2 | 1 | 1.1 | 0.2 | CAD | 请求报价 |
| SICX-M3-6-SX | M3 | 0.5 | 6 | 5.5 | 2 | 1 | 1.1 | 0.22 | CAD | 请求报价 |
| SICX-M3-8-SX | M3 | 0.5 | 8 | 5.5 | 2 | 1 | 1.1 | 0.25 | CAD | 请求报价 |
| SICX-M3-10-SX | M3 | 0.5 | 10 | 5.5 | 2 | 1 | 1.1 | 0.28 | CAD | 请求报价 |
| SICX-M4-6-SX | M4 | 0.7 | 6 | 7 | 2.6 | 1 | 1.4 | 0.43 | CAD | 请求报价 |
| SICX-M4-8-SX | M4 | 0.7 | 8 | 7 | 2.6 | 1 | 1.4 | 0.49 | CAD | 请求报价 |
| SICX-M4-10-SX | M4 | 0.7 | 10 | 7 | 2.6 | 1 | 1.4 | 0.56 | CAD | 请求报价 |
| SICX-M4-12-SX | M4 | 0.7 | 12 | 7 | 2.6 | 1 | 1.4 | 0.62 | CAD | 请求报价 |
| SICX-M5-8-SX | M5 | 0.8 | 8 | 8.5 | 3 | 1.2 | 1.5 | 0.79 | CAD | 请求报价 |
| SICX-M5-10-SX | M5 | 0.8 | 10 | 8.5 | 3 | 1.2 | 1.5 | 0.89 | CAD | 请求报价 |
| SICX-M5-12-SX | M5 | 0.8 | 12 | 8.5 | 3 | 1.2 | 1.5 | 0.99 | CAD | 请求报价 |
| SICX-M5-16-SX | M5 | 0.8 | 16 | 8.5 | 3 | 1.2 | 1.5 | 1.2 | CAD | 请求报价 |
材质、表面处理
| SICX-SX | |
|---|---|
| 主体 | 碳化硅(SiC) |
用途
FPD制造装置/半导体制造装置/印刷电路板蚀刻装置/金属表面处理设备/化学成套设备
特点
- 碳化硅制带切口圆柱头小螺钉。
- 耐热性、耐药品性优良。
使用注意事项
- 紧固螺丝时请使用扭矩起子或扭矩扳手,不要超出下表的扭转断裂扭矩。建议扭矩为扭转断裂扭矩的50%。
| M | 扭转断裂扭矩(N・m) |
|---|---|
| M3 | 0.1 |
| M4 | 0.2 |
| M5 | 0.25 |
表中数值非保证值,仅供参考。
- 受到冲击可能会破损。操作时请注意。







