尺寸・CAD
单位 : mm
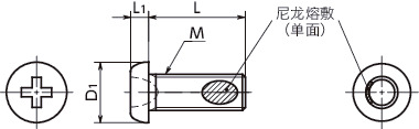
| 型号 | M(粗牙) 螺纹公称直径 |
螺距 | L | D1 | L1 | 十字槽型号 | 最大紧固 扭矩 *1(N・m) |
每包数量 | 质量 (g) |
CAD下载 | 请求报价 |
|---|---|---|---|---|---|---|---|---|---|---|---|
| SNZB-M2-3-ALK | M2 | 0.4 | 3 | 3 | 0.6 | 0 | 0.09 | 20 | 0.08 | CAD | 请求报价 |
| SNZB-M2-4-ALK | M2 | 0.4 | 4 | 3 | 0.6 | 0 | 0.09 | 20 | 0.1 | CAD | 请求报价 |
| SNZB-M2-5-ALK | M2 | 0.4 | 5 | 3 | 0.6 | 0 | 0.09 | 20 | 0.12 | CAD | 请求报价 |
| SNZB-M2-6-ALK | M2 | 0.4 | 6 | 3 | 0.6 | 0 | 0.09 | 20 | 0.14 | CAD | 请求报价 |
| SNZB-M2.6-4-ALK | M2.6 | 0.45 | 4 | 4 | 0.8 | 0 | 0.11 | 20 | 0.2 | CAD | 请求报价 |
| SNZB-M2.6-5-ALK | M2.6 | 0.45 | 5 | 4 | 0.8 | 0 | 0.11 | 20 | 0.23 | CAD | 请求报价 |
| SNZB-M2.6-8-ALK | M2.6 | 0.45 | 8 | 4 | 0.8 | 0 | 0.11 | 20 | 0.33 | CAD | 请求报价 |
| SNZB-M2.6-10-ALK | M2.6 | 0.45 | 10 | 4 | 0.8 | 0 | 0.11 | 20 | 0.4 | CAD | 请求报价 |
*1: 表中数值仅供参考,并非保证值。
●数量未满1包的订单,会另外收取手续费。详情请垂询散装零售服务。
相关服务
材质、表面处理
| SNZB-ALK | |
|---|---|
| 主体 | 黄铜*1 |
| 尼龙熔敷 | 尼龙11 |
*1: 因环境条件及时间推移,产品可能会出现色泽差异,但不会对性能造成影响。
用途
设备、装置的小型化防止螺丝回转、脱落
FPD制造装置/半导体生产设备/电子设备/小型精密仪器
特点
- 带尼龙熔敷精密仪器用精密螺丝(0号1类)。
- M2・M2.6。
- 头部高度较低的盘头小螺钉型。适用于上部空间受限的用途。
- 无磁性。
- 通过螺丝部熔敷的尼龙的摩擦阻力来抑制螺丝回转。
- 由于可抑制回转,即使已失去连接力,仍可以防止螺丝脱落。
- 尼龙熔敷的耐热温度为120℃。







