尺寸・CAD
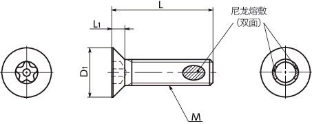
单位 : mm
| 型号 | M(粗牙) 螺纹公称直径 |
螺距 | L | D1 | L1 | 适用螺丝批头 | 适用磁性 螺丝刀 |
每包数量 | 质量 (g) |
CAD下载 | 请求报价 |
|---|---|---|---|---|---|---|---|---|---|---|---|
| SRGFS-M4-10-ALK | M4 | 0.7 | 10 | 8 | 2.3 | SRGB-4 | SRD-6.35 | 10 | 1.03 | CAD | 请求报价 |
| SRGFS-M4-16-ALK | M4 | 0.7 | 16 | 8 | 2.3 | SRGB-4 | SRD-6.35 | 10 | 1.48 | CAD | 请求报价 |
| SRGFS-M4-20-ALK | M4 | 0.7 | 20 | 8 | 2.3 | SRGB-4 | SRD-6.35 | 10 | 1.78 | CAD | 请求报价 |
| SRGFS-M5-10-ALK | M5 | 0.8 | 10 | 10 | 2.8 | SRGB-56 | SRD-6.35 | 10 | 1.73 | CAD | 请求报价 |
| SRGFS-M5-16-ALK | M5 | 0.8 | 16 | 10 | 2.8 | SRGB-56 | SRD-6.35 | 10 | 2.45 | CAD | 请求报价 |
| SRGFS-M5-25-ALK | M5 | 0.8 | 25 | 10 | 2.8 | SRGB-56 | SRD-6.35 | 10 | 3.54 | CAD | 请求报价 |
| SRGFS-M5-40-ALK | M5 | 0.8 | 40 | 10 | 2.8 | SRGB-56 | SRD-6.35 | 10 | 5.27 | CAD | 请求报价 |
| SRGFS-M6-12-ALK | M6 | 1 | 12 | 12 | 3.4 | SRGB-56 | SRD-6.35 | 10 | 3.04 | CAD | 请求报价 |
| SRGFS-M6-16-ALK | M6 | 1 | 16 | 12 | 3.4 | SRGB-56 | SRD-6.35 | 10 | 3.76 | CAD | 请求报价 |
| SRGFS-M6-20-ALK | M6 | 1 | 20 | 12 | 3.4 | SRGB-56 | SRD-6.35 | 10 | 4.45 | CAD | 请求报价 |
| SRGFS-M6-30-ALK | M6 | 1 | 30 | 12 | 3.4 | SRGB-56 | SRD-6.35 | 10 | 6.14 | CAD | 请求报价 |
| SRGFS-M6-40-ALK | M6 | 1 | 40 | 12 | 3.4 | SRGB-56 | SRD-6.35 | 10 | 7.9 | CAD | 请求报价 |
| SRGFS-M6-50-ALK | M6 | 1 | 50 | 12 | 3.4 | SRGB-56 | SRD-6.35 | 10 | 9.63 | CAD | 请求报价 |
●数量未满1包的订单,会另外收取手续费。详情请垂询散装零售服务。
相关服务
材质、表面处理
| SRGFS-ALK | |
|---|---|
| 主体 | SUSXM7 |
| 强度等级 | 相当于A2-50 |
| 尼龙熔敷 | 尼龙11 |
用途
设备和装置的拆分、防破坏室外设备的防盗
安全防范措施
安全措施
特点
- 带尼龙熔敷的五角槽埋头螺栓。
- 通过螺丝部熔敷的尼龙的摩擦阻力来抑制螺丝回转。
- 由于可抑制回转,即使已失去连接力,仍可以防止螺丝脱落。
- 尼龙熔敷的耐热温度为120℃。
- 使用普通工具无法安装或拆卸。
- 请将专用螺丝批头SRGB与专用磁性螺丝刀SRD组合使用以进行安装、拆卸。












