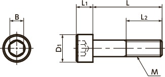
尺寸・CAD
单位 : mm
| 型号 | M(粗牙) 螺纹公称直径 |
螺距 | L | D1 | L1 | B | L2 | 拉伸断裂 载荷(N)*1 |
质量 (g) |
CAD下载 | 请求报价 |
|---|---|---|---|---|---|---|---|---|---|---|---|
| SNSTG-M2-4 | M2 | 0.4 | 4 | 3.8 | 2 | 1.5 | 全螺纹 | 1850 | 0.1 | CAD | 请求报价 |
| SNSTG-M2-5 | M2 | 0.4 | 5 | 3.8 | 2 | 1.5 | 全螺纹 | 1850 | 0.11 | CAD | 请求报价 |
| SNSTG-M2-6 | M2 | 0.4 | 6 | 3.8 | 2 | 1.5 | 全螺纹 | 1850 | 0.12 | CAD | 请求报价 |
| SNSTG-M2-8 | M2 | 0.4 | 8 | 3.8 | 2 | 1.5 | 全螺纹 | 1850 | 0.14 | CAD | 请求报价 |
| SNSTG-M2.5-4 | M2.5 | 0.45 | 4 | 4.5 | 2.5 | 2 | 全螺纹 | 3030 | 0.19 | CAD | 请求报价 |
| SNSTG-M2.5-5 | M2.5 | 0.45 | 5 | 4.5 | 2.5 | 2 | 全螺纹 | 3030 | 0.2 | CAD | 请求报价 |
| SNSTG-M2.5-6 | M2.5 | 0.45 | 6 | 4.5 | 2.5 | 2 | 全螺纹 | 3030 | 0.22 | CAD | 请求报价 |
| SNSTG-M2.5-8 | M2.5 | 0.45 | 8 | 4.5 | 2.5 | 2 | 全螺纹 | 3030 | 0.26 | CAD | 请求报价 |
| SNSTG-M2.5-10 | M2.5 | 0.45 | 10 | 4.5 | 2.5 | 2 | 全螺纹 | 3030 | 0.29 | CAD | 请求报价 |
| SNSTG-M3-6 | M3 | 0.5 | 6 | 5.5 | 3 | 2.5 | 全螺纹 | 5240 | 0.4 | CAD | 请求报价 |
| SNSTG-M3-8 | M3 | 0.5 | 8 | 5.5 | 3 | 2.5 | 全螺纹 | 5240 | 0.45 | CAD | 请求报价 |
| SNSTG-M3-10 | M3 | 0.5 | 10 | 5.5 | 3 | 2.5 | 全螺纹 | 5240 | 0.5 | CAD | 请求报价 |
| SNSTG-M3-12 | M3 | 0.5 | 12 | 5.5 | 3 | 2.5 | 全螺纹 | 5240 | 0.55 | CAD | 请求报价 |
| SNSTG-M3-16 | M3 | 0.5 | 16 | 5.5 | 3 | 2.5 | 全螺纹 | 5240 | 0.66 | CAD | 请求报价 |
| SNSTG-M3-20 | M3 | 0.5 | 20 | 5.5 | 3 | 2.5 | 全螺纹 | 5240 | 0.77 | CAD | 请求报价 |
| SNSTG-M4-8 | M4 | 0.7 | 8 | 7 | 4 | 3 | 全螺纹 | 8850 | 0.94 | CAD | 请求报价 |
| SNSTG-M4-10 | M4 | 0.7 | 10 | 7 | 4 | 3 | 全螺纹 | 8850 | 1 | CAD | 请求报价 |
| SNSTG-M4-12 | M4 | 0.7 | 12 | 7 | 4 | 3 | 全螺纹 | 8850 | 1.1 | CAD | 请求报价 |
| SNSTG-M4-16 | M4 | 0.7 | 16 | 7 | 4 | 3 | 全螺纹 | 8850 | 1.3 | CAD | 请求报价 |
| SNSTG-M4-20 | M4 | 0.7 | 20 | 7 | 4 | 3 | 全螺纹 | 8850 | 1.5 | CAD | 请求报价 |
| SNSTG-M4-25 | M4 | 0.7 | 25 | 7 | 4 | 3 | 全螺纹 | 8850 | 1.8 | CAD | 请求报价 |
| SNSTG-M4-30 | M4 | 0.7 | 30 | 7 | 4 | 3 | 全螺纹 | 8850 | 2.1 | CAD | 请求报价 |
| SNSTG-M5-10 | M5 | 0.8 | 10 | 8.5 | 5 | 4 | 全螺纹 | 14700 | 1.5 | CAD | 请求报价 |
| SNSTG-M5-12 | M5 | 0.8 | 12 | 8.5 | 5 | 4 | 全螺纹 | 14700 | 1.7 | CAD | 请求报价 |
| SNSTG-M5-16 | M5 | 0.8 | 16 | 8.5 | 5 | 4 | 全螺纹 | 14700 | 2 | CAD | 请求报价 |
| SNSTG-M5-20 | M5 | 0.8 | 20 | 8.5 | 5 | 4 | 全螺纹 | 14700 | 2.3 | CAD | 请求报价 |
| SNSTG-M5-25 | M5 | 0.8 | 25 | 8.5 | 5 | 4 | 全螺纹 | 14700 | 2.7 | CAD | 请求报价 |
| SNSTG-M5-30 | M5 | 0.8 | 30 | 8.5 | 5 | 4 | 全螺纹 | 14700 | 3.2 | CAD | 请求报价 |
| SNSTG-M5-35 | M5 | 0.8 | 35 | 8.5 | 5 | 4 | 全螺纹 | 14700 | 3.6 | CAD | 请求报价 |
| SNSTG-M6-10 | M6 | 1 | 10 | 10 | 6 | 5 | 全螺纹 | 20800 | 2.7 | CAD | 请求报价 |
| SNSTG-M6-12 | M6 | 1 | 12 | 10 | 6 | 5 | 全螺纹 | 20800 | 2.9 | CAD | 请求报价 |
| SNSTG-M6-16 | M6 | 1 | 16 | 10 | 6 | 5 | 全螺纹 | 20800 | 3.3 | CAD | 请求报价 |
| SNSTG-M6-20 | M6 | 1 | 20 | 10 | 6 | 5 | 全螺纹 | 20800 | 3.7 | CAD | 请求报价 |
| SNSTG-M6-25 | M6 | 1 | 25 | 10 | 6 | 5 | 全螺纹 | 20800 | 4.3 | CAD | 请求报价 |
| SNSTG-M6-30 | M6 | 1 | 30 | 10 | 6 | 5 | 全螺纹 | 20800 | 4.7 | CAD | 请求报价 |
| SNSTG-M6-35 | M6 | 1 | 35 | 10 | 6 | 5 | 全螺纹 | 20800 | 5.6 | CAD | 请求报价 |
| SNSTG-M6-40 | M6 | 1 | 40 | 10 | 6 | 5 | 全螺纹 | 20800 | 6.2 | CAD | 请求报价 |
| SNSTG-M6-45 | M6 | 1 | 45 | 10 | 6 | 5 | 全螺纹 | 20800 | 6.9 | CAD | 请求报价 |
| SNSTG-M6-50 | M6 | 1 | 50 | 10 | 6 | 5 | 45 | 20800 | 7.5 | CAD | 请求报价 |
| SNSTG-M8-16 | M8 | 1.25 | 16 | 13 | 8 | 6 | 全螺纹 | 33700 | 6.9 | CAD | 请求报价 |
| SNSTG-M8-20 | M8 | 1.25 | 20 | 13 | 8 | 6 | 全螺纹 | 33700 | 7.6 | CAD | 请求报价 |
| SNSTG-M8-25 | M8 | 1.25 | 25 | 13 | 8 | 6 | 全螺纹 | 33700 | 8.5 | CAD | 请求报价 |
| SNSTG-M8-30 | M8 | 1.25 | 30 | 13 | 8 | 6 | 全螺纹 | 33700 | 9.6 | CAD | 请求报价 |
| SNSTG-M8-35 | M8 | 1.25 | 35 | 13 | 8 | 6 | 全螺纹 | 33700 | 11 | CAD | 请求报价 |
| SNSTG-M8-40 | M8 | 1.25 | 40 | 13 | 8 | 6 | 全螺纹 | 33700 | 12 | CAD | 请求报价 |
| SNSTG-M8-45 | M8 | 1.25 | 45 | 13 | 8 | 6 | 全螺纹 | 33700 | 13 | CAD | 请求报价 |
| SNSTG-M8-50 | M8 | 1.25 | 50 | 13 | 8 | 6 | 45 | 33700 | 14 | CAD | 请求报价 |
| SNSTG-M10-16 | M10 | 1.5 | 16 | 16 | 10 | 8 | 全螺纹 | 58900 | 12 | CAD | 请求报价 |
| SNSTG-M10-20 | M10 | 1.5 | 20 | 16 | 10 | 8 | 全螺纹 | 58900 | 13 | CAD | 请求报价 |
| SNSTG-M10-25 | M10 | 1.5 | 25 | 16 | 10 | 8 | 全螺纹 | 58900 | 14 | CAD | 请求报价 |
| SNSTG-M10-30 | M10 | 1.5 | 30 | 16 | 10 | 8 | 全螺纹 | 58900 | 16 | CAD | 请求报价 |
| SNSTG-M10-35 | M10 | 1.5 | 35 | 16 | 10 | 8 | 全螺纹 | 58900 | 17 | CAD | 请求报价 |
| SNSTG-M10-40 | M10 | 1.5 | 40 | 16 | 10 | 8 | 全螺纹 | 58900 | 19 | CAD | 请求报价 |
| SNSTG-M10-45 | M10 | 1.5 | 45 | 16 | 10 | 8 | 全螺纹 | 58900 | 21 | CAD | 请求报价 |
| SNSTG-M10-50 | M10 | 1.5 | 50 | 16 | 10 | 8 | 45 | 58900 | 22 | CAD | 请求报价 |
*1: 表中数值仅供参考,并非保证值。
●如有订购多件相同尺寸的商品,我们将统一进行无尘包装。
材质、表面处理
| SNSTG | |
|---|---|
| 主体 | Ti-6Al-4V(64钛合金) |
用途
汽车、航空宇宙设备、机器人等的轻量化FPD制造装置/半导体制造装置/电气・电子设备/海洋设备
特点
- 采用高强度钛合金制作。
- 比重约为不锈钢的60%。
- 无磁性。
- 耐腐蚀性强,尤其是耐海水性优良。
- 通过特殊表面处理对表面进行了改质。而且已完成无尘洗净、无尘包装。是没有油污及脏物附着的无尘规格。⇒无尘洗净、无尘包装服务
- 钛合金材质的特性请参阅“钛合金的特性”。⇒钛的特性
- 相当于JIS B 1176, ISO 4762, DIN 912标准。
机械性质
| Ti-6Al-4V(64钛合金) | |
|---|---|
| 拉伸强度(N/mm2) | 895以上 |
| 0.2%承压力(N/mm2) | 825以上 |
| 伸长率(%) | 10以上 |
表中数值非保证值,仅供参考。
物性
| Ti-6Al-4V(64钛合金) | |
|---|---|
| 比重 | 4.43 |
| 熔点(℃) | 1540 |
| 纵向弹性系数(GPa) | 113 |
| 热传导率(W/(m・K)) | 7.5 |
| 线性膨胀系数(K-1) | 8.8×10-6 |
| 电阻率(μΩ・m) | 1.7 |
| 磁导率(μ) | 1.0002(无磁) |
表中数值非保证值,仅供参考。









