尺寸・CAD
单位 : mm
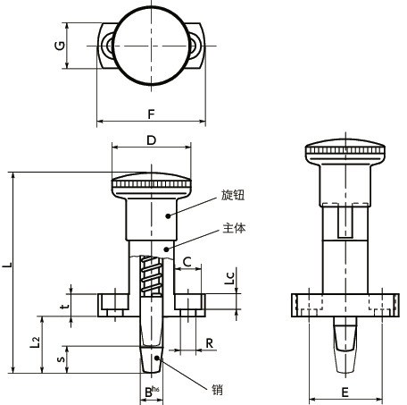
| 型号 | D | L | L2 | Lc | C | R | B | E | F | G | s | t | 适用衬套 | 载荷(N) min./max. |
质量 (g) |
销的剪切载荷 (N) |
CAD下载 | 请求报价 | |
|---|---|---|---|---|---|---|---|---|---|---|---|---|---|---|---|---|---|---|---|
| PIC-A | PIC-B | ||||||||||||||||||
| PPCY-6-18 | 23 | 63 | 18 | 4.3 | 7.8 | 4.3 | 6 | 23 | 34 | 13 | 9 | 6 | PIC-6-8-A | PIC-6-8-B | 6/25 | 46 | 2530 | CAD | 请求报价 |
| PPCY-6-24 | 23 | 69 | 24 | 4.3 | 7.8 | 4.3 | 6 | 23 | 34 | 13 | 9 | 6 | PIC-6-8-A | PIC-6-8-B | 6/25 | 50 | 2530 | CAD | 请求报价 |
| PPCY-8-20 | 28 | 71 | 20 | 5.5 | 9.4 | 5.3 | 8 | 26 | 38 | 16 | 10.6 | 8 | PIC-8-10-A | PIC-8-10-B | 8.5/28 | 79 | 4500 | CAD | 请求报价 |
| PPCY-8-26 | 28 | 77 | 26 | 5.5 | 9.4 | 5.3 | 8 | 26 | 38 | 16 | 10.6 | 8 | PIC-8-10-A | PIC-8-10-B | 8.5/28 | 82 | 4500 | CAD | 请求报价 |
| PPCY-10-24 | 28 | 75 | 24 | 5.5 | 9.4 | 5.3 | 10 | 26 | 38 | 16 | 12.6 | 8 | PIC-10-12-A | PIC-10-12-B | 11.5/40 | 83 | 7030 | CAD | 请求报价 |
| PPCY-10-32 | 28 | 83 | 32 | 5.5 | 9.4 | 5.3 | 10 | 26 | 38 | 16 | 12.6 | 8 | PIC-10-12-A | PIC-10-12-B | 11.5/40 | 87 | 7030 | CAD | 请求报价 |
材质、表面处理
| PPCY | |
|---|---|
| 旋钮 | 尼龙6(亚光黑) |
| 主体 | 相当于SUM22L 四氧化三铁保护膜(黑) |
| 销 | 钢(硬度50-60HRC) |
| 弹簧 | SUS301 |
特点
- 可准确定位的分度柱塞。
- 销前端呈锥形形状。通过与配合侧的锥孔无缝嵌合,可进行高精度定位。
- 拉起旋钮后旋转90°,可在销缩回的状态下锁定。解除锁定时,略微拉起旋钮后旋转90°。在内置弹簧力的作用下复位。
- 请使用内六角螺栓进行安装。
- 各销径的2种销长度已实现标准化。













