尺寸・CAD
单位 : mm
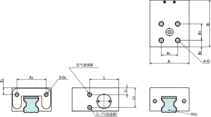
| 型号 | 保持力*1 (N) | A | A1 | A2 | B1 | B2 | B3 | E1 | G/深度 | G1 | L | L1 | L2 | 质量 (kg) |
CAD下载 | 请求报价 |
|---|---|---|---|---|---|---|---|---|---|---|---|---|---|---|---|---|
| LKP-1501-AS2-A | 550 | 34 | 15 | 22 | 49 | 8.5 | 15 | 5 | M4/4.5 | M3 | 31.5 | 4.5 | 17 | 0.15 | CAD | 请求报价 |
| LKP-1502-BS2-A | 550 | 34 | 15 | 22 | 49 | 8.5 | 15 | 5 | M4/4.5 | M3 | 31.5 | 4.5 | 17 | 0.15 | CAD | 请求报价 |
| LKP-1505-AS2-A | 550 | 34 | 15 | 22 | 49 | 8.5 | 15 | 5 | M4/4.5 | M3 | 31.5 | 4.5 | 17 | 0.15 | CAD | 请求报价 |
| LKP-2001-AS2-A | 850 | 44 | 20 | 32 | 52 | 7 | 20 | 7 | M5/5.5 | M3 | 33.5 | 4.5 | 20.5 | 0.23 | CAD | 请求报价 |
| LKP-2002-BS2-A | 850 | 44 | 20 | 32 | 52 | 7 | 20 | 7 | M5/5.5 | M3 | 33.5 | 4.5 | 20.5 | 0.23 | CAD | 请求报价 |
| LKP-2005-AS2-A | 850 | 44 | 20 | 32 | 52 | 7 | 20 | 7 | M5/5.5 | M3 | 33.5 | 4.5 | 20.5 | 0.23 | CAD | 请求报价 |
| LKP-2014-DS2-A | 1100 | 44 | 20 | 32 | 52 | 7 | 20 | 7 | M5/5.5 | M3 | 33.5 | 4.5 | 20.5 | 0.23 | CAD | 请求报价 |
| LKP-2501-AS2-A | 1100 | 48 | 20 | 35.75 | 57 | 8 | 20 | 8.5 | M6/6.0 | M5 | 35.5 | 8.5 | 24 | 0.33 | CAD | 请求报价 |
| LKP-2502-BS2-A | 1100 | 48 | 20 | 35.75 | 57 | 8 | 20 | 8.5 | M6/6.0 | M5 | 35.5 | 8.5 | 24 | 0.33 | CAD | 请求报价 |
| LKP-2502-DS2-A | 1100 | 48 | 20 | 35.75 | 57 | 8 | 20 | 8.5 | M6/6.0 | M5 | 35.5 | 8.5 | 24 | 0.33 | CAD | 请求报价 |
| LKP-2504-FS2-A | 1100 | 48 | 20 | 35.75 | 57 | 8 | 20 | 8.5 | M6/6.0 | M5 | 35.5 | 8.5 | 24 | 0.33 | CAD | 请求报价 |
| LKP-2505-AS2-A | 1100 | 48 | 20 | 35.75 | 57 | 8 | 20 | 8.5 | M6/6.0 | M5 | 35.5 | 8.5 | 24 | 0.33 | CAD | 请求报价 |
| LKP-2505-BS2-A | 1100 | 48 | 20 | 35.75 | 57 | 8 | 20 | 8.5 | M6/6.0 | M5 | 35.5 | 8.5 | 24 | 0.33 | CAD | 请求报价 |
| LKP-2514-DS2-A | 1100 | 48 | 20 | 35.75 | 57 | 8 | 20 | 8.5 | M6/6.0 | M5 | 35.5 | 8.5 | 24 | 0.33 | CAD | 请求报价 |
| LKP-3001-AS2-A | 1800 | 60 | 22 | 44.3 | 66.5 | 8.5 | 22 | 10 | M8/8.5 | M5 | 41.5 | 6.5 | 30 | 0.57 | CAD | 请求报价 |
| LKP-3001-ES2-A | 1800 | 60 | 22 | 44.3 | 66.5 | 8.5 | 22 | 10 | M8/8.5 | M5 | 41.5 | 6.5 | 30 | 0.57 | CAD | 请求报价 |
| LKP-3002-BS2-A | 1800 | 60 | 22 | 44.3 | 66.5 | 8.5 | 22 | 10 | M8/8.5 | M5 | 41.5 | 6.5 | 30 | 0.57 | CAD | 请求报价 |
| LKP-3004-FS2-A | 1800 | 60 | 22 | 44.3 | 66.5 | 8.5 | 22 | 10 | M8/8.5 | M5 | 41.5 | 6.5 | 30 | 0.57 | CAD | 请求报价 |
| LKP-3005-AS2-A | 1800 | 60 | 22 | 44.3 | 66.5 | 8.5 | 22 | 10 | M8/8.5 | M5 | 41.5 | 6.5 | 30 | 0.57 | CAD | 请求报价 |
| LKP-3012-FS2-A | 1800 | 60 | 22 | 44.3 | 66.5 | 8.5 | 22 | 10 | M8/8.5 | M5 | 41.5 | 6.5 | 30 | 0.57 | CAD | 请求报价 |
| LKP-3014-DS2-A | 1800 | 60 | 22 | 44.3 | 66.5 | 8.5 | 22 | 10 | M8/8.5 | M5 | 41.5 | 6.5 | 30 | 0.57 | CAD | 请求报价 |
| LKP-3014-ES2-A | 1800 | 60 | 22 | 44.3 | 66.5 | 8.5 | 22 | 10 | M8/8.5 | M5 | 41.5 | 6.5 | 30 | 0.57 | CAD | 请求报价 |
| LKP-3501-AS2-A | 2500 | 70 | 24 | 52.3 | 68.5 | 7.5 | 24 | 12 | M8/10.0 | M5 | 41.5 | 7.5 | 35.5 | 0.78 | CAD | 请求报价 |
| LKP-3501-ES2-A | 2500 | 70 | 24 | 52.3 | 68.5 | 7.5 | 24 | 12 | M8/10.0 | M5 | 41.5 | 7.5 | 35.5 | 0.79 | CAD | 请求报价 |
| LKP-3502-AS2-A | 2500 | 70 | 24 | 52.3 | 68.5 | 7.5 | 24 | 12 | M8/10.0 | M5 | 41.5 | 7.5 | 35.5 | 1.1 | CAD | 请求报价 |
| LKP-3502-BS2-A | 2500 | 70 | 24 | 52.3 | 68.5 | 7.5 | 24 | 12 | M8/10.0 | M5 | 41.5 | 7.5 | 35.5 | 0.78 | CAD | 请求报价 |
| LKP-3502-DS2-A | 2500 | 70 | 24 | 52.3 | 68.5 | 7.5 | 24 | 12 | M8/10.0 | M5 | 41.5 | 7.5 | 35.5 | 1.1 | CAD | 请求报价 |
| LKP-3503-AS2-A | 2500 | 70 | 24 | 52.3 | 68.5 | 7.5 | 24 | 12 | M8/10.0 | M5 | 41.5 | 7.5 | 35.5 | 0.87 | CAD | 请求报价 |
| LKP-3504-FS2-A | 2500 | 70 | 24 | 52.3 | 68.5 | 7.5 | 24 | 12 | M8/10.0 | M5 | 41.5 | 7.5 | 35.5 | 0.87 | CAD | 请求报价 |
| LKP-3505-AS2-A | 2500 | 70 | 24 | 52.3 | 68.5 | 7.5 | 24 | 12 | M8/10.0 | M5 | 41.5 | 7.5 | 35.5 | 1.1 | CAD | 请求报价 |
| LKP-3505-BS2-A | 2500 | 70 | 24 | 52.3 | 68.5 | 7.5 | 24 | 12 | M8/10.0 | M5 | 41.5 | 7.5 | 35.5 | 1.1 | CAD | 请求报价 |
| LKP-3510-BS2-A | 2500 | 70 | 24 | 52.3 | 68.5 | 7.5 | 24 | 12 | M8/10.0 | M5 | 41.5 | 7.5 | 35.5 | 0.87 | CAD | 请求报价 |
| LKP-3512-FS2-A | 2500 | 70 | 24 | 52.3 | 68.5 | 7.5 | 24 | 12 | M8/10.0 | M5 | 41.5 | 7.5 | 35.5 | 0.78 | CAD | 请求报价 |
| LKP-3514-ES2-A | 2500 | 70 | 24 | 52.3 | 68.5 | 7.5 | 24 | 12 | M8/10.0 | M5 | 41.5 | 7.5 | 35.5 | 0.78 | CAD | 请求报价 |
| LKP-4501-AS2-A | 3500 | 86 | 26 | 66.2 | 78 | 11 | 26 | 15 | M10/12.0 | M5 | 46 | 9 | 45 | 1.7 | CAD | 请求报价 |
| LKP-4501-ES2-A | 3500 | 86 | 26 | 66.2 | 78 | 11 | 26 | 15 | M10/12.0 | M5 | 46 | 9 | 45 | 1.7 | CAD | 请求报价 |
| LKP-4502-AS2-A | 3500 | 86 | 26 | 66.2 | 78 | 11 | 26 | 15 | M10/12.0 | M5 | 46 | 9 | 45 | 1.7 | CAD | 请求报价 |
| LKP-4502-BS2-A | 3500 | 86 | 26 | 66.2 | 78 | 11 | 26 | 15 | M10/12.0 | M5 | 46 | 9 | 45 | 1.3 | CAD | 请求报价 |
| LKP-4502-DS2-A | 3500 | 86 | 26 | 66.2 | 78 | 11 | 26 | 15 | M10/12.0 | M5 | 46 | 9 | 45 | 1.7 | CAD | 请求报价 |
| LKP-4503-AS2-A | 3500 | 86 | 26 | 66.2 | 78 | 11 | 26 | 15 | M10/12.0 | M5 | 46 | 9 | 45 | 1.7 | CAD | 请求报价 |
| LKP-4504-FS2-A | 3500 | 86 | 26 | 66.2 | 78 | 11 | 26 | 15 | M10/12.0 | M5 | 46 | 9 | 45 | 1.7 | CAD | 请求报价 |
| LKP-4505-AS2-A | 3500 | 86 | 26 | 66.2 | 78 | 11 | 26 | 15 | M10/12.0 | M5 | 46 | 9 | 45 | 1.3 | CAD | 请求报价 |
| LKP-4505-BS2-A | 3500 | 86 | 26 | 66.2 | 78 | 11 | 26 | 15 | M10/12.0 | M5 | 46 | 9 | 45 | 1.7 | CAD | 请求报价 |
| LKP-4514-ES2-A | 3500 | 86 | 26 | 66.2 | 78 | 11 | 26 | 15 | M10/12.0 | M5 | 46 | 9 | 45 | 1.3 | CAD | 请求报价 |
| LKP-5501-AS2-A | 4500 | 100 | 30 | 77.2 | 78 | 9 | 30 | 15 | M10/14.0 | M5 | 46 | 10 | 51 | 2.2 | CAD | 请求报价 |
| LKP-5501-ES2-A | 4500 | 100 | 30 | 77.2 | 78 | 9 | 30 | 15 | M10/14.0 | M5 | 46 | 10 | 51 | 2.3 | CAD | 请求报价 |
| LKP-5502-AS2-A | 4500 | 100 | 30 | 77.2 | 78 | 9 | 30 | 15 | M10/14.0 | M5 | 46 | 10 | 51 | 2.3 | CAD | 请求报价 |
| LKP-5502-BS2-A | 4500 | 100 | 30 | 77.2 | 78 | 9 | 30 | 15 | M10/14.0 | M5 | 46 | 10 | 51 | 2.3 | CAD | 请求报价 |
| LKP-5503-AS2-A | 4500 | 100 | 30 | 77.2 | 78 | 9 | 30 | 15 | M10/14.0 | M5 | 46 | 10 | 51 | 1.7 | CAD | 请求报价 |
| LKP-5505-AS2-A | 4500 | 100 | 30 | 77.2 | 78 | 9 | 30 | 15 | M10/14.0 | M5 | 46 | 10 | 51 | 2.3 | CAD | 请求报价 |
| LKP-5505-BS2-A | 4500 | 100 | 30 | 77.2 | 78 | 9 | 30 | 15 | M10/14.0 | M5 | 46 | 10 | 51 | 1.7 | CAD | 请求报价 |
| LKP-5512-FS2-A | 4500 | 100 | 30 | 77.2 | 78 | 9 | 30 | 15 | M10/14.0 | M5 | 46 | 10 | 51 | 2.3 | CAD | 请求报价 |
| LKP-5514-ES2-A | 4500 | 100 | 30 | 77.2 | 78 | 9 | 30 | 15 | M10/14.0 | M5 | 46 | 10 | 51 | 2.3 | CAD | 请求报价 |
*1: 压力为0.6MPa时的值。保持力在0.3MPa~0.6MPa的范围内与压力成正比。
构造

材质、表面处理
| LKP | |
|---|---|
| 主体 | 相当于SCr415 无电解镀镍 |
| 接触面 | 相当于SUJ2 |
| 调节螺栓 | 相当于SUJ2 |
| 盖 | POM |
| 空气滤清器 | 黄铜 |
特点
- 细长型。
- 用于固定滑台、定位及防止振动。
-
为常开(Normally Open)型。
供给气压时:夹紧线性导轨。
排出气压时:解除夹紧。 - 设计小巧。
- 可简单地组装到现有系统上。无需进行诸如延长导轨长度或变更滑台尺寸等设计变更。
规格
| 控制方式 | 气压、常开 |
| 最低使用压力 | 0.3MPa |
| 最高使用压力 | 0.65MPa |
| 响应时间 | max. 0.06s |
| 夹紧寿命*1 | 500万次 |
| 使用温度 | -10℃~+70℃ |
| 适用导轨的公称尺寸 | #15~#55 |
*1: 仅供参考数值,并非保证数值。
安装
| 螺纹公称直径*1 | 紧固扭矩 (N・m) |
|---|---|
| M4 | 2.8 |
| M5 | 5.5 |
| M6 | 9.5 |
| M8 | 23 |
| M10 | 46 |
*1: 请使用强度等级在8.8以上的螺纹。
请事先确认安全注意事项、设计中的注意事项、安装步骤。⇒请事先确认安全注意事项⇒设计中的注意事项⇒安装步骤
安装图

配管
| 导轨公称尺寸 | 螺纹公称直径 | 空气消耗量*1 (ℓ/周期(ANR)) |
|---|---|---|
| #15 | M3 | 0.023 |
| #20 | M3 | 0.037 |
| #25 | M5 | 0.054 |
| #30 | M5 | 0.095 |
| #35 | M5 | 0.130 |
| #45 | M5 | 0.246 |
| #55 | M5 | 0.334 |
*1: 压力为0.6MPa时的值。
保持力
本商品目录中记载的保持力是压力为0.6MPa时的值。保持力在0.3MPa~0.6MPa的范围内与压力成正比。

故障诊断
| 不良 | 原因 | 推测原因 | 解决对策 |
|---|---|---|---|
| 夹紧器无法夹紧/夹紧力不足 | 工作压力不足 | 设定的工作压力太小 | 请根据产品页中指定的值设定最低使用压力。 |
| 漏气(油)、阻塞、配管中途堵住、压力供给部故障等 | 请对配管、夹紧器、压力供给部进行确认,必要时予以更换。 | ||
| 响应时间过长/夹紧器延迟打开 | 空气供给不足 | 气阀过小 | 请选用流量大的阀。 |
| 气阀与夹紧器间的配管过长 | 请将气阀与夹紧器间的配管设置为最短。 | ||
| 排气量不充分 | 快速排气阀或空气滤清器堵塞 | 请确认快速排气阀与空气滤清器的开口部是否堵塞,必要时将空气滤清器移动至相反侧。 | |
| 快速排气阀或空气滤清器阻塞 | 请更换或清洁空气滤清器(NBK不单独销售空气滤清器)。 | ||
| 气阀与夹紧器间的配管过长 | 请将气阀与夹紧器间的配管设置为最短。 | ||
| 有时能听见漏气的声音 | 从主体外侧泄漏 | 内部密封圈位置出现错位 | 请在5秒以内将夹紧器开闭20次以上。 |
| 从气压连接处泄漏 | 气压连接不牢固/配管品质不良 | 请确认气压连接和配管,必要时予以更换。 | |
| 零件磨损 | 夹紧器寿命已到 | 请更换夹紧器。 | |
| 保持力、保持扭矩不足 | 使用的夹紧器不适合轨道 | 夹紧器与轨道的尺寸公差不匹配 | 请通过NBK网站的选型指南确认夹紧器和轨道是否匹配。 |
| 安装位置没有足够的刚性 | 夹紧器的整个安装面必须与具备足够刚性的工作台、基座等接触。 | ||
| 夹紧器变形 | 安装螺丝松动、强度等级不正确 | 请确认技术数据。 |
部分产品停产说明
感谢您一直以来使用NBK网站。导轨钳制器的部分型号即将停产。
同时,本公司将会发售替代品,现将情况说明如下。
请参看详情
可能需要贵公司针对该部分进行设计变更,对此,我们深表歉意,敬请理解。









