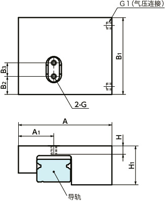
单位 : mm
| 型号 | A | A1 | B1 | B2 | B3 | G | G1 | H | H1 | 保持力 (N)*1 |
质量 (kg) |
CAD下载 | 请求报价 |
|---|---|---|---|---|---|---|---|---|---|---|---|---|---|
| MCP-2501-H | 54.4 | 23.9 | 41 | 10.5 | 8 | M4 | M3 | 6.2 | 23 | 550 | 0.34 | CAD | 请求报价 |
*1: 压力为0.6MPa时的值。保持力在0.3MPa~0.6MPa的范围内与压力成正比。
构造

特点
- 微型线性导轨用。
- 用于固定滑台、定位及防止振动。
-
为常开(Normally Open)型。
供给气压时:夹紧线性导轨。
排出气压时:解除夹紧。
使用注意事项
将MCPMCPS安装到导轨上时,需要如图1图2所示进行设计,以免与导轨安装面干涉。
保持力
本产品目录中的保持力是压力为0.6MPa时的值。保持力在0.3MPa~0.6MPa的范围内与压力成正比。








