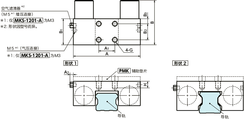
单位 : mm
| 型号 | 保持力(N) 标准/增压连接 |
A | A1 | A2 | B | B1 | B2 | B3 | G | H | 质量 (kg) |
CAD下载 | 请求报价 |
|---|---|---|---|---|---|---|---|---|---|---|---|---|---|
| MKS-5501-A-03 | 1100/1850 | 128 | 30 | 5 | 82 | 49 | 30 | 9.5 | M10 | 18 | 1.83 | CAD | 请求报价 |
*1: 增压连接的保持力是压力为0.3MPa时的值。
构造

材质、表面处理
| MKS | |
|---|---|
| 主体 | 相当于SCr415 无电解镀镍 |
| 空气滤清器 | 黄铜 |
| 接触面 | 相当于SUJ2 无表面处理 |
| 调节螺栓 | 相当于SUJ2 无表面处理 |
特点
- 开放压力0.3MPa规格的MKS。
- 标准规格MKS的开放压力(0.55MPa)过高时,请使用此型号。
-
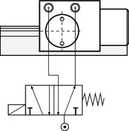
为常闭(Normally Closed)型。
供给气压时:解除夹紧。
排出气压时:借助弹簧的作用力夹紧线性导轨。 - 设计小巧。
- ISO 6级洁净度。
增压连接
“增压连接”是指在弹簧保持力的基础上增加空气压力产生的保持力,从而增大保持力的连接方法。增压连接的连接方法
- 拆除空气滤清器。
- 装上管接头、软管和电磁阀。
- 开始供气。
- 启动电磁阀,确认库浪霸的开闭状况。


规格
| 控制方式 | 气压、常闭 |
| 开放压力 | 0.3MPa |
| 最高使用压力 | 0.65MPa |
| 响应时间 | 最大0.06s |
| 夹紧寿命*1 | 500万次 |
| 使用温度 | -10℃~+70℃ |
| 适用导轨的公称尺寸 | #15~#65 |
*1: 仅供参考数值,并非保证数值。增压连接时的寿命为100万次。
使用注意事项
MKS在出厂时在接触面间夹有垫块。除了安装时,请勿取出该垫块。如果在取出垫块的状态下长期放置,可能会引起MKS无法运作。
安装
| 螺纹公称直径*1 | 紧固扭矩 (N·m) |
|---|---|
| M4 | 2.8 |
| M5 | 5.5 |
| M6 | 9.5 |
| M8 | 23 |
| M10 | 46 |
*1: 请使用强度等级在8.8以上的螺纹。
安装图

配管
| 导轨公称尺寸 | 螺纹公称直径 | 空气消耗量*1(ℓ/周期(ANR)) 标准连接/增压连接 |
|---|---|---|
| #15 | M5 | 0.008/0.025 |
| #20 | M5 | 0.014/0.045 |
| #25 | M5 | 0.015/0.049 |
| #30 | M5 | 0.022/0.086 |
| #35 | M5 | 0.022/0.092 |
| #45 | M5 | 0.029/0.125 |
| #55 | M5 | 0.029/0.125 |
| #65 | M5 | 0.029/0.125 |
*1: 压力为0.3MPa时的值。表中数值非保证值,仅供参考。








