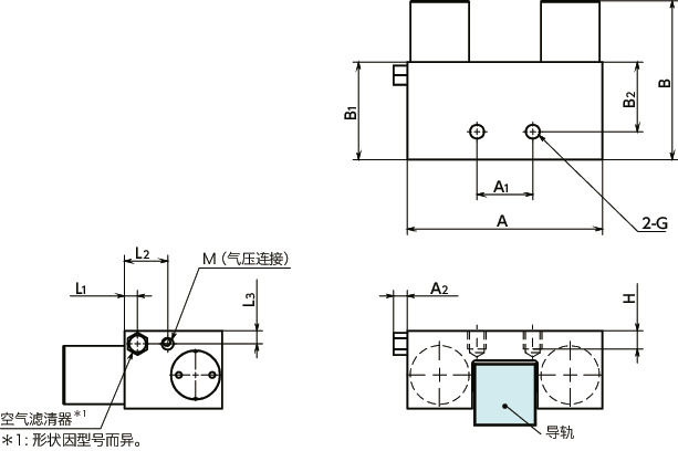
尺寸・CAD
单位 : mm
| 型号 | 保持力 (N) | A | A1 | A2 | B | B1 | B2 | G | H | L1 | L2 | L3 | M | 质量 (kg) | CAD下载 | 请求报价 |
|---|---|---|---|---|---|---|---|---|---|---|---|---|---|---|---|---|
| MKSL-1501-AS1-A | 300 | 47 | 15 | - | 58 | 39 | 15.5 | M4 | 4.5 | 4.1 | 19.5 | 4.1 | M3 | 0.2 | CAD | 请求报价 |
| MKSL-2001-AS1-A | 500 | 63 | 20 | 5 | 58 | 39 | 25 | M5 | 5.5 | 4.7 | 18 | 4.7 | M5 | 0.33 | CAD | 请求报价 |
| MKSL-2501-AS1-A | 600 | 70 | 20 | 5 | 57 | 35 | 25 | M6 | 6.5 | 4.7 | 15.5 | 4.7 | M5 | 0.36 | CAD | 请求报价 |
构造

特点
- 用于固定滑台、定位及防止振动。
-
为低成本的常闭(Normally Close)型。
供给气压时:解除夹紧。
排出气压时:借助弹簧的作用力夹紧线性导轨。 - 设计小巧。
- 也备有组装到现有系统上的组件。无需进行诸如延长导轨长度或变更滑台尺寸等设计变更。
使用注意事项
MKSL在出厂时在接触面间夹有垫块。除了安装时,请勿取出该垫块。如果在取出垫块的状态下长期放置,可能会引起MKSL无法运作。
安装
| 螺纹公称直径*1 | 紧固扭矩 (N・m) |
|---|---|
| M4 | 2.8 |
| M5 | 5.5 |
| M6 | 9.5 |
*1: 请使用强度等级在8.8以上的螺纹。
请事先确认安全注意事项( ⇒请事先确认安全注意事项 )、设计中的注意事项( ⇒设计中的注意事项 )、安装步骤( ⇒安装步骤 )。
安装图

保持力
MKSL的强大保持力来自楔形块的斜边放大效果。气压产生的力F通过滚柱被压入到接触面与倾斜的调节螺栓之间时的楔形效果转换为力N。此时,力N的大小为1/tanθ(θ接触面与调节螺栓之间的角度)倍。
该作用力N在线性导轨上产生摩擦力R,该摩擦力即为MKSL的强大保持力。

停产及替代品发售说明
MKL ・ MKSL 系列即将停产。系列即将停产。同时本公司将会发售替代品,现将情况说明如下。
请参看详情
https://www.nbk1560-chn.com.cn/news/2021/20211021_2/









