尺寸・CAD
单位 : mm
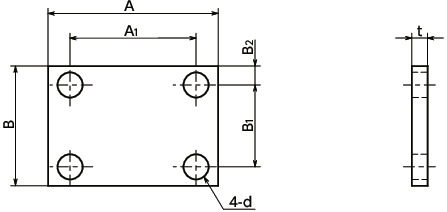
| 型号 | A | A1 | B | B1 | B2 | d(通孔) 适用螺纹尺寸 | t | 质量 (kg) |
CAD下载 | 请求报价 |
|---|---|---|---|---|---|---|---|---|---|---|
| PHM-12-2-5 | 27 | 20 | 19 | 13 | 3 | M3 | 2.5 | 0.01 | CAD | 请求报价 |
材质、表面处理
| PHM | |
|---|---|
| 辅助垫片 | 相当于SUS304 |
特点
- 用于使miniHK的高度与线轨滑座的高度一致的辅助垫片。
- 根据miniHK与线性导轨的组合,有时需要使用辅助垫片。请确认选型表。
单位 : mm
| 型号 | A | A1 | B | B1 | B2 | d(通孔) 适用螺纹尺寸 | t | 质量 (kg) |
CAD下载 | 请求报价 |
|---|---|---|---|---|---|---|---|---|---|---|
| PHM-12-2-5 | 27 | 20 | 19 | 13 | 3 | M3 | 2.5 | 0.01 | CAD | 请求报价 |
| PHM | |
|---|---|
| 辅助垫片 | 相当于SUS304 |