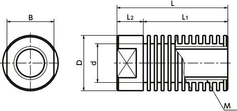
尺寸・CAD
单位 : mm
| 型号 | M(细牙) 螺纹公称直径 |
螺距 | D | L | L1 | B | 适用的缓冲器® |
质量 (g) |
CAD下载 |
|---|---|---|---|---|---|---|---|---|---|
| AKM-M10-1 | M10 | 1 | 17 | 30 | 7 | 13 | M10-1 | 9 | - |
| AKM-M12-1 | M12 | 1 | 20 | 40 | 7 | 17 | M12-1 | 15 | - |
| AKM-M14-1 | M14 | 1 | 23 | 50 | 8 | 19 | M14-1 | 25 | - |
| AKM-M14-1.5 | M14 | 1.5 | 23 | 50 | 8 | 19 | M14-1.5 | 25 | - |
| AKM-M20-1.5 | M20 | 1.5 | 30 | 60 | 9 | 24 | M20-1.5・M20-1.5L | 40 | - |
| AKM-M25-1.5 | M25 | 1.5 | 36 | 80 | 10.5 | 27 | M25-1.5・M25-1.5L | 65 | - |
| AKM-M27-3 | M27 | 3 | 38 | 80 | 10.5 | 30 | M27-3 | 85 | - |
| AKM-M33-1.5 | M33 | 1.5 | 44 | 103.5 | 12 | 36 | M33-1.5・M33-1.5L | 135 | - |
| AKM-M45-1.5 | M45 | 1.5 | 60 | 110 | 18 | 55 | M45-1.5・M45-1.5L | 295 | - |
材质、表面处理
| AKM | |
|---|---|
| 主体 | 铝合金 |
特点
- 有效地释放吸收能量时冲击吸收器产生的热,以防止温度上升。
- 每小时的最大吸收能量增加到约1.5倍。
- 通过将冷却器螺母紧贴装置的端面,可使其具有锁定螺母的功能。
安装







