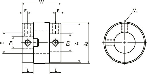
| 型号 | 最大轴孔径 (mm) |
键槽追加工 最大轴孔径 (mm) |
额定扭矩 (N・m)*1 |
最大扭矩 (N・m)*1 |
最高转速 (min-1) |
惯性 力矩 (kg・m2)*2 |
静态 扭转刚性 (N・m/rad) |
容许偏心 (mm) |
容许偏角 (°) |
质量 (g)*2 |
|---|---|---|---|---|---|---|---|---|---|---|
| MOC-33-8-14 | 16 | 16 | 16 | 25 | 3000 | 6.1×10-6 | 450 | 2 | 3 | 39 |
*1: 当环境温度高于30℃时,请依据表中的温度修正系数调整额定扭矩和最大扭矩。MOC的可使用温度为-20℃~80℃。
*2: 最大轴孔径时的值。
环境温度、温度修正系数
| 环境温度 | 温度修正系数 |
|---|---|
| -20℃~30℃ | 1.00 |
| 30℃~40℃ | 0.80 |
| 40℃~60℃ | 0.70 |
| 60℃~80℃ | 0.55 |
材质、表面处理
| MOC | |
|---|---|
| 轴套 | A2017 阳极氧化处理*1 |
| 间隔体 | 含再生碳纤维的聚缩醛 |
| 内六角止动螺丝 | SCM435 四氧化三铁保护膜(黑) |
| 内六角圆柱头螺栓 | SCM435 四氧化三铁保护膜(黑) |
*1: 轴孔的表面处理可能会因工序的关系而存在有表面处理和无表面处理的零件,但不存在联轴器性能方面的问题。
特点
- 适用马达
| MOC | |
|---|---|
| 伺服马达 | ● |
| 步进马达 | ● |
| 通用马达 | ◎ |
- 特性
| MOC | |
|---|---|
| 高扭矩 | ◎ |
| 容许误差调整 | ◎ |
| 偏心反作用力小 | ◎ |
| 可使用温度 | -20℃~80℃ |
- 十字滑块型挠性联轴器。
- 间隔体采用环保的再生碳纤维树脂。与MOR相比为高扭矩规格。
- 通过轴套与间隔体的滑移,允许有较大偏心、偏角存在。
- 因误差调整量而产生的偏心反作用力变小,减轻了轴的负担。
- 构造简单,组装方便。
- 符合日本工作机械工业会团体标准(TES 1403)的产品。
用途
阴极溅镀装置/零件进料器/缝纫机/娱乐器材选型
根据轴径、额定扭矩选型
轴径和额定扭矩交差区域为选型规格。
选型示例
选型条件为轴径φ8、负荷扭矩0.4N・m时,选型规格为MOC-23。常用扭矩的比较

隔片的突起构造
间隔体的凸起构造允许有较大偏角的存在。以减轻轴的负担。
温度引起的静态扭转刚性数值的变化
以20℃时的静态扭转刚性数值为100%时的值。使用温度范围内的静态扭转刚性数值变化情况如图表所示。
使用时,请注意响应性的下降。

规格变更说明
我们将对挠性联轴器MOR系列及MOC系列的部分规格进行如下变更。请参看详情
https://www.nbk1560-chn.com.cn/news/2025/20250611_MOR_MOC/




