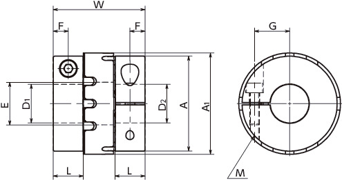
尺寸・CAD
单位 : mm
| 型号 | 最大轴孔径 (mm) |
键槽追加工 最大轴孔径 (mm) |
额定扭矩 (N・m)*1 |
最大扭矩 (N・m)*1 |
最高转速 (min-1) |
惯性 力矩 (kg・m2)*2 |
静态 扭转刚性 (N・m/rad) |
容许偏心 (mm) |
容许偏角 (°) |
质量 (g)*2 |
|---|---|---|---|---|---|---|---|---|---|---|
| MOT-55C | 25 | 25 | 30 | 60 | 2000 | 6.9×10-5 | 3100 | 3 | 3 | 170 |
| MOT-63C | 32 | 32 | 45 | 90 | 2000 | 1.5×10-4 | 4900 | 4 | 3 | 270 |
| MOT-75C | 40 | 40 | 80 | 160 | 2000 | 4.7×10-4 | 9800 | 4.5 | 3 | 540 |
*1: 无需根据负荷变化修正额定扭矩和最大扭矩。
当环境温度高于30℃时,请依据下表的温度修正系数调整额定扭矩和最大扭矩。MOT-C的可使用温度为-20℃~80℃。
根据轴孔径尺寸的不同,轴的可传递摩擦力矩有时会比联轴器的额定扭矩小。⇒可传递摩擦力矩
*2: 最大轴孔径时的值。| 型号 | 标准轴孔径(尺寸容许偏差H8) D1-D2 |
||||||||||||
|---|---|---|---|---|---|---|---|---|---|---|---|---|---|
| 12 | 14 | 15 | 16 | 18 | 20 | 22 | 25 | 28 | 30 | 35 | 38 | 40 | |
| MOT-55C | ● | ● | ● | ● | ● | ● | ● | ● | - | - | - | - | - |
| MOT-63C | - | - | - | ● | ● | ● | ● | ● | ● | ● | - | - | - |
| MOT-75C | - | - | - | - | - | ● | ● | ● | ● | ● | ● | ● | ● |
●所有产品均附带内六角圆柱头螺栓。
●适用轴径的推荐的尺寸容许偏差为h6及h7。
●也承接1个轴套是定位螺丝固定型,另1个轴套是夹紧型等组合的订货。
●可对轴孔和键槽进行追加工。请使用追加工服务。
●轴插入联轴器中的量请参阅安装与维护说明。⇒偏差调整
环境温度、温度修正系数
| 环境温度 | 温度修正系数 |
|---|---|
| -20℃~30℃ | 1.00 |
| 30℃~40℃ | 0.80 |
| 40℃~60℃ | 0.70 |
| 60℃~80℃ | 0.55 |
可传递摩擦力矩
如下表所示,夹紧型MOT-C的轴的可传递摩擦力矩因轴孔径的不同而异。选择时敬请注意。单位 : N・m
| 型号 | 轴孔径 | ||||||||||||
|---|---|---|---|---|---|---|---|---|---|---|---|---|---|
| 12 | 14 | 15 | 16 | 18 | 20 | 22 | 25 | 28 | 30 | 35 | 38 | 40 | |
| MOT-55C | 14 | 16 | 18 | 19 | 22 | 25 | 27 | 32 | |||||
| MOT-63C | 37 | 42 | 47 | 52 | 60 | 67 | 72 | ||||||
| MOT-75C | 87 | 96 | 109 | 122 | 131 | 154 | 168 | 177 | |||||
是轴尺寸容许偏差g6、硬度58HRC~、MOT-C尺寸表中记载螺丝紧固扭矩下的试验值,并非保证值。
可传递摩擦力矩会根据使用条件而变化。请事先在与实际情况相同的条件下进行试验。
构造

材质、表面处理
| MOT-C | |
|---|---|
| 轴套 | A2017 阳极氧化处理*1 |
| 间隔体 | 聚缩醛 |
| 内六角圆柱头螺栓 | SCM435 四氧化三铁保护膜(黑) |
*1: 轴孔的表面处理可能会因工序的关系而存在有表面处理和无表面处理的零件,但不存在联轴器性能方面的问题。
特点
- 适用马达
| MOT-C | |
|---|---|
| 伺服马达 | ● |
| 步进马达 | ● |
| 通用马达 | ◎ |
- 特性
| MOT-C | |
|---|---|
| 高扭矩 | ◎ |
| 容许误差调整 | ◎ |
| 偏心反作用力小 | ◎ |
| 可使用温度 | -20℃~80℃ |
- 符合日本工作机械工业会团体标准(TES 1403)的十字滑块型挠性联轴器。
- 通过轴套与间隔体的滑移,允许有较大偏心、偏角存在。
- 因误差调整量而产生的偏心反作用力变小,减轻了轴的负担。
- 构造简单,组装方便。
用途
传送带/搅拌机/泵隔片(聚缩醛)的耐药品性
| 影响 | |
|---|---|
| 汽油 | △ |
| 润滑油 | △ |
| 苯 | × |
| 乙醇 | ○ |
| 丙酮 | △ |
| 苯 | △ |
| 甲苯 | △ |
| 二甲苯 | ○ |
上述数据并不代表耐应力开裂特性。若在外部应力作用下使用,请务必充分注意。
使用试验片,在室温(23℃)下测试后得到的数据。耐药品性会根据使用条件而变化。请务必事先在与实际情况相同的使用条件下进行试验。
隔片(聚缩醛)的物性
| 试验方法(ASTM) | 单位 | 聚缩醛 | |
|---|---|---|---|
| 绝缘耐压强度 (3mm) |
D149 | kV/mm | 19.0 |
| 表面电阻值 | D257 | Ω | 1016 |
| 燃烧性(UL) | - | - | HB(0.75mm) |
表示间隔体(聚缩醛)的材质特性,不是保证产品性能的数值。
燃烧性是参考原材料信息及UL标准,根据相关评估试验结果推断得出的数值。
特性会因使用条件不同而发生变化,请预先在与实际情况相同的条件下进行试验。
隔片的突起构造
间隔体的凸起构造允许有较大偏角的存在。以减轻轴的负担。
温度引起的静态扭转刚性数值的变化
以20℃时的静态扭转刚性数值为100%时的值。使用温度范围内的静态扭转刚性数值变化情况如图表所示。
使用时,请注意响应性的下降。






