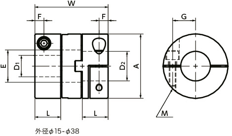
尺寸・CAD
单位 : mm
| 型号 | A | L | W | E | F | G | M | 螺丝紧固扭矩 (N・m) |
标准轴孔径 D1-D2 |
CAD下载 | 请求报价 |
|---|---|---|---|---|---|---|---|---|---|---|---|
| MOM-15C | 15 | 6.6 | 19 | 6.9 | 2.15 | 5.2 | M1.6 | 0.25 | - | CAD | 请求报价 |
| MOM-17C | 17 | 9 | 25 | 7.3 | 2.65 | 5.5 | M2 | 0.5 | - | CAD | 请求报价 |
| MOM-20C | 20 | 10 | 28 | 11.1 | 3.25 | 7.25 | M2.5 | 1 | - | CAD | 请求报价 |
| MOM-26C | 26 | 11.5 | 31.6 | 13.3 | 4 | 9 | M3 | 1.5 | - | CAD | 请求报价 |
| MOM-30C | 30 | 12 | 34 | 15.5 | 4 | 11 | M3 | 1.5 | - | CAD | 请求报价 |
| MOM-34C | 34 | 13 | 35 | 17.5 | 4.5 | 12 | M4 | 3.5 | - | CAD | 请求报价 |
| MOM-38C | 38 | 15 | 40.5 | 21.5 | 4.75 | 14 | M4 | 3.5 | - | CAD | 请求报价 |
| MOM-45C | 45 | 16.2 | 47.6 | 24.3 | 6.2 | 16 | M5 | 8 | - | CAD | 请求报价 |
| MOM-55C | 55 | 20.8 | 58.6 | 27.7 | 7.9 | 20 | M6 | 13 | - | CAD | 请求报价 |
| MOM-70C | 70 | 25 | 68.6 | 38.5 | 8.9 | 26 | M6 | 13 | - | CAD | 请求报价 |
| 型号 | 最大轴孔径 (mm) |
键槽追加工 最大轴孔径 (mm) |
额定扭矩 (N・m)*1 |
最大扭矩 (N・m)*1 |
最高转速 (min-1) |
惯性 力矩 (kg・m2)*2 |
静态 扭转刚性 (N・m/rad) |
最大容许偏心 (mm)*3 |
容许偏角 (°) |
质量 (g)*2 |
|---|---|---|---|---|---|---|---|---|---|---|
| MOM-15C | 6 | 6 | 3.3 | 6.6 | 2000 | 6.2×10-7 | 870 | 0.3 | 2 | 19 |
| MOM-17C | 6.35 | 6 | 5.5 | 11 | 2000 | 1.4×10-6 | 1300 | 0.3 | 2 | 34 |
| MOM-20C | 10 | 10 | 7.7 | 15.4 | 2000 | 3.0×10-6 | 1700 | 0.4 | 2 | 47 |
| MOM-26C | 12 | 12 | 11 | 22 | 2000 | 9.6×10-6 | 3200 | 0.5 | 2 | 92 |
| MOM-30C | 14 | 14 | 26 | 52 | 2000 | 1.8×10-5 | 4600 | 0.6 | 2 | 131 |
| MOM-34C | 16 | 16 | 35 | 70 | 2000 | 3.1×10-5 | 6000 | 0.7 | 2 | 173 |
| MOM-38C | 20 | 20 | 55 | 110 | 2000 | 5.5×10-5 | 7400 | 0.8 | 2 | 235 |
| MOM-45C | 22 | 22 | 66 | 132 | 2000 | 1.2×10-4 | 16000 | 1 | 2 | 387 |
| MOM-55C | 25 | 25 | 99 | 198 | 2000 | 3.4×10-4 | 30000 | 1.2 | 2 | 752 |
| MOM-70C | 35 | 35 | 176 | 352 | 2000 | 1.0×10-3 | 46000 | 1.4 | 2 | 1370 |
*1:无需根据负荷变化修正额定扭矩和最大扭矩。
根据轴孔径尺寸的不同,轴的可传递摩擦力矩有时会比联轴器的额定扭矩小。MOMMOM-CMOM-K
*2: 最大轴孔径时的值。*3: 容许偏心量会因负荷扭矩与转速而变化。
| 型号 | 标准轴孔径 D1-D2 | ||||||||||||||||||
|---|---|---|---|---|---|---|---|---|---|---|---|---|---|---|---|---|---|---|---|
| 3 | 4 | 5 | 6 | 6.35 | 8 | 10 | 12 | 14 | 15 | 16 | 18 | 20 | 22 | 24 | 25 | 28 | 30 | 35 | |
| MOM-15C | ● | ● | ● | ● | - | - | - | - | - | - | - | - | - | - | - | - | - | - | - |
| MOM-17C | - | ● | ● | ● | - | - | - | - | - | - | - | - | - | - | - | - | - | - | - |
| MOM-20C | - | - | ● | ● | ● | ● | ● | - | - | - | - | - | - | - | - | - | - | - | - |
| MOM-26C | - | - | - | ● | ● | ● | ● | ● | - | - | - | - | - | - | - | - | - | - | - |
| MOM-30C | - | - | - | - | - | ● | ● | ● | ● | - | - | - | - | - | - | - | - | - | - |
| MOM-34C | - | - | - | - | - | - | ● | ● | ● | ● | ● | - | - | - | - | - | - | - | - |
| MOM-38C | - | - | - | - | - | - | ● | ● | ● | ● | ● | ● | ● | - | - | - | - | - | - |
| MOM-45C | - | - | - | - | - | - | - | ● | ● | ● | ● | ● | ● | ● | - | - | - | - | - |
| MOM-55C | - | - | - | - | - | - | - | - | - | ● | ● | ● | ● | ● | ● | ● | - | - | - |
| MOM-70C | - | - | - | - | - | - | - | - | - | - | - | ● | ● | ● | ● | ● | ● | ● | ● |
●所有产品均附带内六角螺栓。
●适用轴径的推荐尺寸公差为h6及h7。
●也承接1个轴套是定位螺丝固定型,另1个轴套是夹紧型组合的订货。
●可对轴孔和键槽进行追加工。请使用追加工服务。
●轴插入联轴器中的量请参阅安装与维护说明。⇒偏差调整
可传递摩擦力矩
如下表所示,夹紧型MOM-C的轴的可传递摩擦力矩因轴孔径的不同而异。选择时敬请注意。单位 : N・m
| 型号 | 轴孔径 | ||||||||||||||||||
|---|---|---|---|---|---|---|---|---|---|---|---|---|---|---|---|---|---|---|---|
| 3 | 4 | 5 | 6 | 6.35 | 8 | 10 | 12 | 14 | 15 | 16 | 18 | 20 | 22 | 24 | 25 | 28 | 30 | 35 | |
| MOM-15C | 0.3 | 0.5 | 0.8 | 1 | |||||||||||||||
| MOM-17C | 2.1 | 3.5 | 3.7 | ||||||||||||||||
| MOM-20C | 3.8 | 6 | 6 | 6.8 | 7.5 | ||||||||||||||
| MOM-26C | 5.4 | 5.4 | 5.8 | 6.6 | 8.7 | ||||||||||||||
| MOM-30C | 7.4 | 12 | 14 | 15 | |||||||||||||||
| MOM-34C | 13 | 13 | 15 | 16 | 16 | ||||||||||||||
| MOM-38C | 16 | 18 | 20 | 23 | 25 | 28 | 31 | ||||||||||||
| MOM-45C | 47 | 48 | 56 | 56 | 57 | 62 | |||||||||||||
| MOM-55C | 42 | 54 | 55 | 56 | 89 | 93 | 97 | ||||||||||||
| MOM-70C | 62 | 92 | 95 | 97 | 100 | 110 | 120 | 130 | |||||||||||
轴尺寸容许偏差为h7、硬度为34-40HRC、螺丝紧固扭矩为MOM-C尺寸表中的试验值,并非保证值。
可传递摩擦力矩会根据使用条件而变化。请事先在与实际情况相同的条件下进行试验
材质、表面处理
| MOM-C | |
|---|---|
| 轴套 | S45C 四氧化三铁保护膜(黑)*1 |
| 间隔体 | FCD400 四氧化三铁保护膜(黑) |
| 销 | 聚缩醛 |
| 内六角止动螺丝 | SCM435 四氧化三铁保护膜(黑) |
| 内六角圆柱头螺栓 | SCM435 四氧化三铁保护膜(黑) |
| 润滑脂 | 锂皂润滑脂 NIPPECO DXL-No.1 NIPPECO LTD.制 |
*1: 轴孔的表面处理可能会因工序的关系而存在有表面处理和无表面处理的零件,但不存在联轴器性能方面的问题。
特点
- 适用马达
| MOM | |
|---|---|
| 伺服马达 | ● |
| 步进马达 | ● |
| 通用马达 | ◎ |
- 特性
| MOM | |
|---|---|
| 高扭矩 | ◎ |
| 高扭转刚性 | ◎ |
| 容许误差调整 | ○ |
- 十字滑块型挠性联轴器。
- 间隔体采用FCD400型。最适用于低速、高扭矩规格。
- 在轴套与间隔体之间涂抹高性能润滑脂,防止烧结。
- 通过轴套与间隔体的滑移,允许有较大偏心、偏角存在。
- 设在间隔体上的凸起部(树脂销)允许有偏角存在。
- 润滑脂孔中积留的润滑脂在运行过程中缓缓渗出,以长期维持润滑性能。

用途
搅拌机/泵/小型动力冲压机/粉碎机选型
根据轴径、额定扭矩选型
轴径和额定扭矩交差区域为选型规格。

选型示例
选型条件为轴径φ6、负荷扭矩4N・m时,选型规格为MOM-17。常用扭矩的比较

静态扭转刚性数值的比较

温度引起的静态扭转刚性数值的变化
以在20℃时的静态扭转刚性数值为100%时的值。MOM的静态扭转刚性数值很少因温度而产生变化,响应性变化极少。在高温下使用时,请注意轴因热膨胀而出现的伸长或弯曲所引起的误差。

容许偏心
MOM的容许偏心量会因负荷扭矩与转速而变化。











- 例
负荷扭矩为25N・m、转速为1000min-1时,MOM-55的容许偏心为0.5mm。











