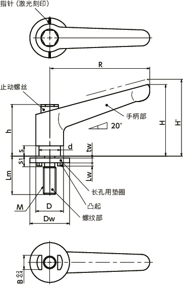
单位 : mm
| 型号 | M(粗牙) 螺纹公称直径 |
螺距 | Lm | R | H | H' | h | s | D | d | Dw | tw | Lw | s1 | B*1 | 齿数 | 最大载荷*2 (N) |
最大紧固力*2 (kN) |
质量 (g) |
CAD下载 | 请求报价 |
|---|---|---|---|---|---|---|---|---|---|---|---|---|---|---|---|---|---|---|---|---|---|
| LDMS-6-25-LWP20-AS | M6 | 1 | 25 | 45 | 34 | 37.5 | 24.5 | 4 | 13 | 10 | 20 | 2 | 2 | 5 | 6.6 | 18 | 100 | 5.5 | 49 | CAD | 请求报价 |
*1: 请根据垫圈凸起部B尺寸设定长孔的宽度。
*2: 最大载荷、最大紧固力的定义请参照“关于夹紧手柄、张紧手柄的使用方法”。⇒关于夹紧手柄、张紧手柄的使用方法
材质、表面处理
| LDMS-LWP-AS | |
|---|---|
| 手柄部 | SCS13(相当于SUS304) 喷丸 |
| 螺纹部 | SUS303 |
| 长孔用垫圈 | SUS303 |
| 止动螺丝 | 不锈钢制 |
| 弹簧 | 不锈钢丝 |
特点
- 装入长孔用垫圈的全不锈钢制夹紧手柄。
- 由于垫圈座面部的凸起防止垫圈旋转,上方的指针一直指示刻度,因此适用于利用长孔的滑动机构。

- 垫圈被装入到缩颈加工部,可防止脱落。另外,也无需进行垫圈装入作业。
- 垫圈的外径约为螺纹直径的3倍。可针对紧固部位确保充分的座面。
- 具有优良的耐腐蚀性和强度。
- 止动螺丝上没有凹孔,脏物和灰尘不易堆积。适合于要求进行卫生管理的食品机械、药品机械等用途。
使用“不会掉落的垫圈”,消除焦躁!垫圈装入型夹紧手柄
1分钟即可掌握!夹紧手柄的使用方法
使用注意事项
- 垫圈指针请作为大致参考使用。
- 紧固手柄之前,如图1所示,请确认垫圈位于缩颈加工部。如图2所示,如果在垫圈卡在螺牙上的状态下进行紧固,则可能会导致垫圈变形。






