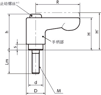
尺寸・CAD
单位 : mm
| 型号 | M(粗牙) 螺纹公称直径 |
螺距 | Lm | R | H | H' | h | s | D | d | 齿数 | 最大载荷*1 (N) |
最大紧固力*1 (kN) |
质量 (g) |
CAD下载 | 请求报价 |
|---|---|---|---|---|---|---|---|---|---|---|---|---|---|---|---|---|
| LHCMS-3-6-CR | M3 | 0.5 | 6 | 30 | 22 | 25.5 | 24.5 | 4 | 13 | 10 | 18 | 19 | 1.4 | 25 | CAD | 请求报价 |
| LHCMS-3-8-CR | M3 | 0.5 | 8 | 30 | 22 | 25.5 | 24.5 | 4 | 13 | 10 | 18 | 19 | 1.4 | 25 | CAD | 请求报价 |
| LHCMS-3-10-CR | M3 | 0.5 | 10 | 30 | 22 | 25.5 | 24.5 | 4 | 13 | 10 | 18 | 19 | 1.4 | 26 | CAD | 请求报价 |
| LHCMS-3-12-CR | M3 | 0.5 | 12 | 30 | 22 | 25.5 | 24.5 | 4 | 13 | 10 | 18 | 19 | 1.4 | 26 | CAD | 请求报价 |
| LHCMS-3-16-CR | M3 | 0.5 | 16 | 30 | 22 | 25.5 | 24.5 | 4 | 13 | 10 | 18 | 19 | 1.4 | 26 | CAD | 请求报价 |
*1: 最大载荷、最大紧固力的定义请参照“关于夹紧手柄、张紧手柄的使用方法”。⇒关于夹紧手柄、张紧手柄的使用方法
材质、表面处理
| LHCMS-CR | |
|---|---|
| 手柄部 | 锌压铸件 镀铬 |
| 螺纹部 | SUS303 |
| 止动螺丝 | 不锈钢制 |
| 弹簧 | 不锈钢丝 |
特点
- 螺纹部为不锈钢制的紧凑型扁平夹紧手柄。适用于上部空间受限的用途。
- 转动半径为30mm。省空间。
- 手柄部采用镀铬处理,外观精美。








