尺寸・CAD
单位 : mm
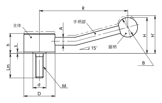
| 型号 | M(粗牙) 螺纹公称直径 |
螺距 | Lm | R | H | H' | h | s | A | B | D | d | 齿数 | 最大载荷*1 (N) |
最大紧固力*1 (kN) |
质量 (g) |
CAD下载 | 请求报价 |
|---|---|---|---|---|---|---|---|---|---|---|---|---|---|---|---|---|---|---|
| LNFMS-40-M12-25-E | M12 | 1.75 | 25 | 115 | 53 | 57.5 | 30 | 4 | 12 | 30 | 40 | 19 | 28 | 340 | 23 | 336 | CAD | 请求报价 |
| LNFMS-40-M12-32-E | M12 | 1.75 | 32 | 115 | 53 | 57.5 | 30 | 4 | 12 | 30 | 40 | 19 | 28 | 340 | 23 | 342 | CAD | 请求报价 |
| LNFMS-40-M12-40-E | M12 | 1.75 | 40 | 115 | 53 | 57.5 | 30 | 4 | 12 | 30 | 40 | 19 | 28 | 340 | 23 | 348 | CAD | 请求报价 |
| LNFMS-40-M12-50-E | M12 | 1.75 | 50 | 115 | 53 | 57.5 | 30 | 4 | 12 | 30 | 40 | 19 | 28 | 340 | 23 | 355 | CAD | 请求报价 |
| LNFMS-40-M12-63-E | M12 | 1.75 | 63 | 115 | 53 | 57.5 | 30 | 4 | 12 | 30 | 40 | 19 | 28 | 340 | 23 | 364 | CAD | 请求报价 |
| LNFMS-40-M12-80-E | M12 | 1.75 | 80 | 115 | 53 | 57.5 | 30 | 4 | 12 | 30 | 40 | 19 | 28 | 340 | 23 | 376 | CAD | 请求报价 |
*1: 最大载荷、最大紧固力的定义请参照“关于夹紧手柄、张紧手柄的使用方法”。⇒关于夹紧手柄、张紧手柄的使用方法
材质、表面处理
| LNFMS | |
|---|---|
| 手柄部 | SUS303 |
| 螺纹部 | SUS303 |
| 主体 | SUS303 |
| 握柄 | 酚醛树脂(黑) |
特点
- 扁平形状的张紧手柄。适合于上下空间不宽裕的场所。
- 转动半径较大,以较小的力即可获得较大的紧固力。
- 可自由调整手柄相对于螺丝的相位角度。
- LNFM-E LNFMS-E的手柄操作部成一定角度,手可以轻松伸入,并确保握持手柄的空间。
- 可根据产品符号选择类型及螺纹部的材质。
| 产品符号 | 类型 | 螺纹部材质 |
|---|---|---|
| LNFM-D | 横向手柄 | 钢制 |
| LNFMS-D | 横向手柄 | 不锈钢制 |
| LNFM-E | 带角度的手柄 | 钢制 |
| LNFMS-E | 带角度的手柄 | 不锈钢制 |







