尺寸・CAD
单位 : mm
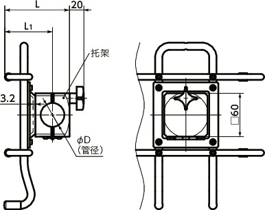
| 型号 | D | L1 | L | 质量 (g) |
CAD下载 |
|---|---|---|---|---|---|
| DTR-PB-28 | 28 | 65.5 | 89.5 | 1110 | - |
| DTR-PB-30 | 30 | 65.5 | 89.5 | 1110 | - |
| DTR-PB-34 | 34 | 65.5 | 89.5 | 1070 | - |
| DTR-PB-40 | 40 | 69.5 | 97.5 | 1090 | - |
| DTR-PB-42.7 | 42.7 | 69.5 | 97.5 | 1060 | - |
●贴有固定用的橡胶垫。适用圆管的尺寸容许偏差为±0.5mm。
构造

材质、表面处理
| DTR-AF | DTR-AA/DTR-PB | |
|---|---|---|
| 支架 | SS400 镀铬 |
|
| 保护盖 | 软质PVC(无铅) | |
| 固定板 | SS400 静电喷涂 |
- |
| 托架 | - | A6063 阳极氧化处理 |
特点
- 支持iPad*1的平板电脑固定零件。
*1: iPad是Apple Inc.的商标。支持iPad2、新型iPad。 - 将平板电脑固定在生产设备或试验装置上。只需插拔即可轻松安装、拆卸平板电脑。
- 设计坚固。耐久性优良。
- 完全固定支架型。
-
根据安装对象的种类,备有3种FPD固定件®。
铝框架用/墙面面板、钣金用----DTR-AF
铝框架端面安装用----DTR-AA
圆管用----DTR-PB - 适用于双手作业过程中需确认平板电脑画面的场合。
- 也可仅购买支架。
- 也生产适用于各种尺寸平板电脑的特殊规格的FPD固定件®。











