材质、表面处理
| DKMP | |
|---|---|
| 鼠标垫 | SPCC 静电喷涂 |
| 鼠标垫固定旋钮 | 尼龙6 |
特点
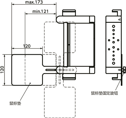
- 可将键盘完全固定在安装对象上。
- 通过紧固夹紧螺丝,可切实固定键盘,防止掉落。
- 从B5尺寸的笔记本电脑到宽500mm的键盘均可装配。
-
根据安装对象的种类,备有3种FPD固定件®。
铝型材用/墙面面板,钣金用----DKB
铝型材端面安装用----DKB-AA
圆管用----DKB-PB -
出厂时附带2个尺寸的夹紧螺丝(十字槽盘头小螺钉)。
M6×40:键盘宽度为256mm-280mm时使用。
M6×140:键盘宽度为280mm-500mm时使用。
构造







