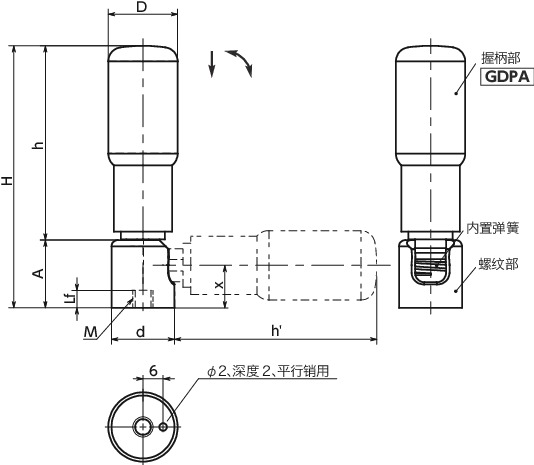
单位 : mm
| 型号 | D | M(粗牙) 螺纹公称直径 |
螺距 | Lf | d | H | h | A | h' | x | 质量 (g) |
CAD下载 | 请求报价 |
|---|---|---|---|---|---|---|---|---|---|---|---|---|---|
| GFRA-24-M6 | 24 | M6 | 1 | 5.5 | 20 | 98.2 | 76.7 | 21.5 | 80.5 | 13.5 | 152 | CAD | 请求报价 |
材质、表面处理
| GFRA | |
|---|---|
| 握柄部 | 铝合金 研磨 |
| 螺纹部 | SUS304 |
| 内置弹簧 | 不锈钢丝 |
特点
- 可折叠的旋转握柄。
- 采用抬起后放倒的机构。不会意外倾倒。
- 材质全部为金属制。通过防止异物混入措施,适用于使用金属检测仪器的设备、装置。
- 在所有尺寸中附带不锈钢制的平行销(Φ2×6)。可用作螺纹部的止转。
使用注意事项
- 朝下安装GFRA时,可能因振动或握柄自重导致握柄抬起。
- 安装GFRA时使用的螺纹长度,请设定为安装部的厚度+Lf以下。
- 请确保操作握柄时的载荷不超过以下数值。







