单位 : mm
| 型号 | A | B | A1 | B1 | C | C1 | H | H1 | h1 | h2 | K1 | G | R | 质量 (g) |
调节型 | CAD下载 | 请求报价 |
|---|---|---|---|---|---|---|---|---|---|---|---|---|---|---|---|---|---|
| HNDHS-50-55-H-NI | 50 | 55 | 30 | 30 | 21 | 21 | 16.6 | 23.2 | 6 | 11.6 | 6.5 | 6 | 6.5 | 157 | H | CAD | 请求报价 |
材质、表面处理
| HNDHS-NI | |
|---|---|
| 主体 | 相当于SUS304 |
| 销 | 相当于SUS316Ti |
特点
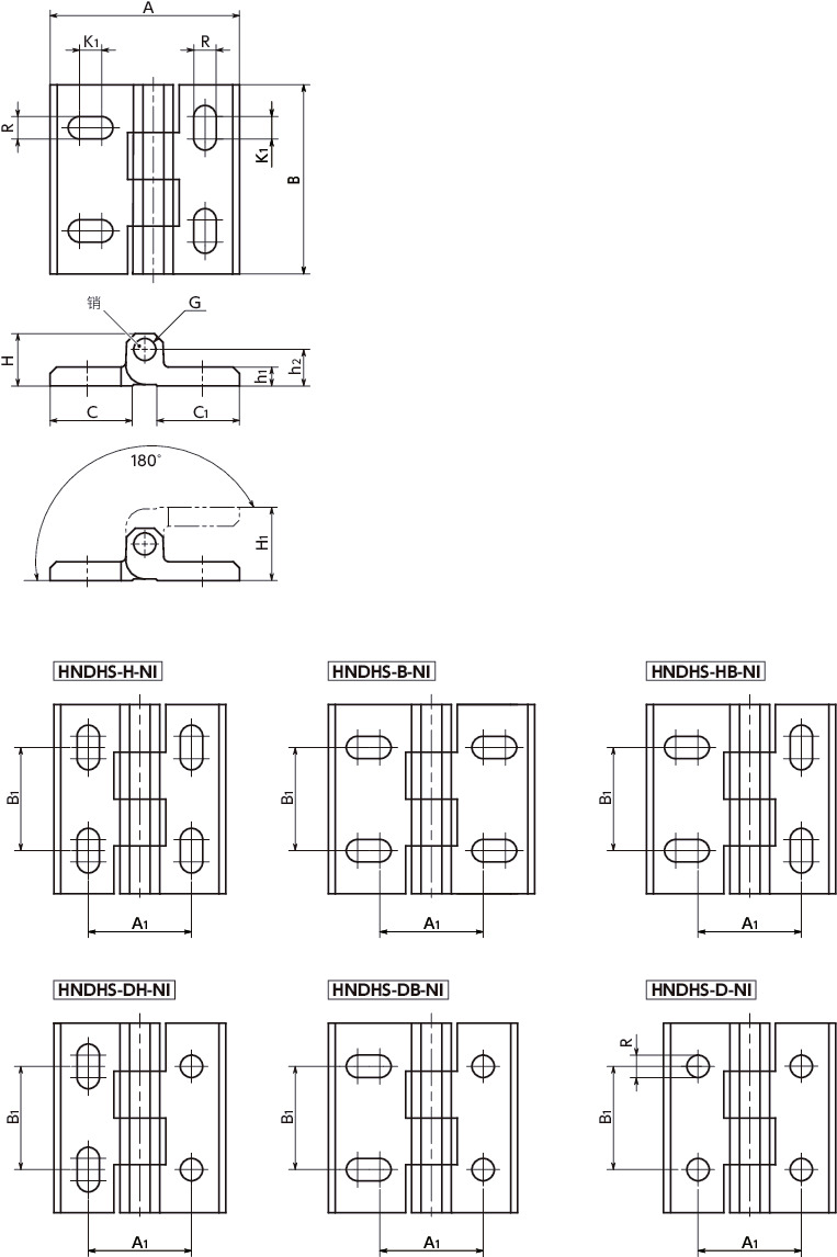
- 可通过垂直或水平长孔调整安装位置的铰链。
- 主体采用耐腐蚀性优良的不锈钢制成。
-
根据安装孔的不同组合,可选择6种调节类型。
HNDHS-H-NI----所有4个位置均可进行垂直方向调整
HNDHS-B-NI----所有4个位置均可进行水平方向调整
HNDHS-HB-NI----一侧2个位置可进行垂直方向调整,另一侧2个位置可进行水平方向调整
HNDHS-DH-NI----一侧2个位置可进行垂直方向调整,另一侧2个位置可通过圆孔固定
HNDHS-DB-NI----一侧2个位置可进行水平方向调整,另一侧2个位置可通过圆孔固定
HNDHS-D-NI----所有4个位置均可通过圆孔固定
安装
为避免安装螺丝相互干涉,请使用各种短头螺栓或平垫圈,并注意螺丝头部与平垫圈的总高度不得超过h3。
| 型号 | h3(mm) |
|---|---|
| HNDHS-40-45-H-NI | 9 |
| HNDHS-50-45-B-NI | 9 |
| HNDHS-45-45-HB-NI | 9 |
| HNDHS-40-45-DH-NI | 9 |
| HNDHS-45-45-DB-NI | 9 |
| HNDHS-40-45-D-NI | 9 |
| HNDHS-50-55-H-NI | 11.2 |
| HNDHS-60-55-B-NI | 11.2 |
| HNDHS-55-55-HB-NI | 11.2 |
| HNDHS-50-55-DH-NI | 11.2 |
| HNDHS-55-55-DB-NI | 11.2 |
| HNDHS-50-55-D-NI | 11.2 |
| HNDHS-60-65-H-NI | 13.8 |
| HNDHS-76-65-B-NI | 13.8 |
| HNDHS-68-65-HB-NI | 13.8 |
| HNDHS-60-65-DH-NI | 13.8 |
| HNDHS-68-65-DB-NI | 13.8 |
| HNDHS-60-65-D-NI | 13.8 |
强度

| 型号 | 破坏载荷(N)*1 | ||
|---|---|---|---|
| LR0 | LR90 | LA | |
| HNDHS-40-45-NI | 2500 | 3000 | 2500 |
| HNDHS-45-45-NI | 2500 | 3000 | 2500 |
| HNDHS-50-45-NI | 2500 | 3000 | 2500 |
| HNDHS-50-55-NI | 3000 | 4000 | 2200 |
| HNDHS-55-55-NI | 3000 | 4000 | 2200 |
| HNDHS-60-55-NI | 3000 | 4000 | 2200 |
| HNDHS-60-65-NI | 3500 | 4500 | 1800 |
| HNDHS-68-65-NI | 3500 | 4500 | 1800 |
| HNDHS-76-65-NI | 3500 | 4500 | 1800 |
*1: 在不影响功能及外观的范围内,开始发生微小变形的载荷。







