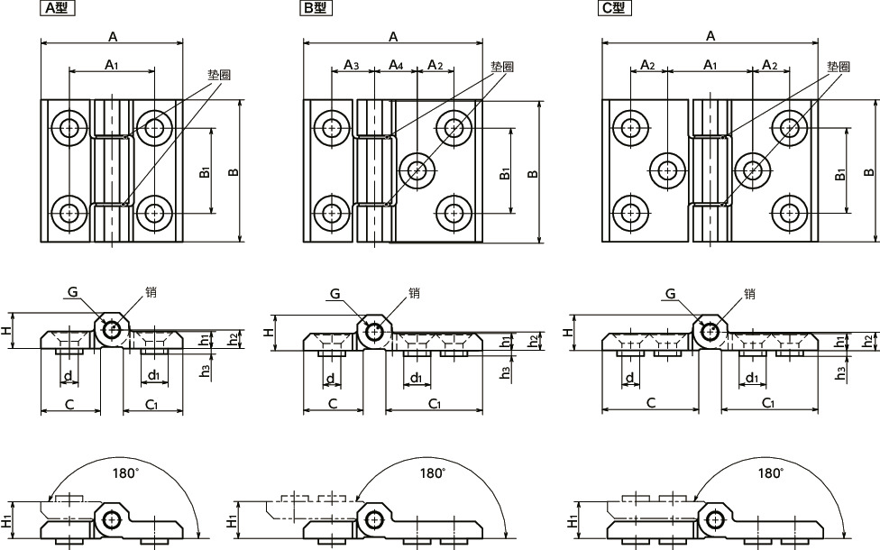
单位 : mm
| 型号 | A | B | A1 | A2 | A3 | A4 | B1 | C | C1 | d | d1 | d2 | H | H1 | h1 | h2 | h3 | G | 轴环 | 类型 | 质量 (g) |
螺丝附带的服务 螺纹尺寸 |
CAD下载 | 请求报价 |
|---|---|---|---|---|---|---|---|---|---|---|---|---|---|---|---|---|---|---|---|---|---|---|---|---|
| HNHGS-63-50-L | 63 | 50 | - | 13 | 15 | 15 | 30 | 21 | 34 | 6.3 | 9.5 | 10 | 12.5 | 13 | 6 | 6.5 | 2 | 6 | SG | B型 | 141 | M6×16 | CAD | 请求报价 |
材质、表面处理
| HNHGS-L | HNHGS-L-BK | |
|---|---|---|
| 主体 | 相当于SUS316 喷砂处理 |
相当于SUS316 静电喷涂(亚光黑) |
| 销 | 相当于SUS440B | 相当于SUS440B |
| 垫圈 | 相当于SUS301 | 相当于SUS301 |
| 内六角埋头小螺丝 (螺丝附带服务) |
SUS316L | SUS316L |
特点
- 全不锈钢制铰链,主体采用相当于高强度SUS316的材质,销采用相当于经淬火、退火的SUS440B的材质。同时实现了紧凑外形和高强度。
- 通过垫圈和润滑剂将开关时的摩擦抑制到最小。
-
安装孔采用凸孔规格。
可防止高载荷下铰链侧滑,保护螺丝不受安装螺丝无法完全承载的剪切方向载荷的影响。 -
分为2种颜色。可根据型号的末尾符号进行选择。
无末尾符号----银色
末尾符号BK----亚光黑 - 选购件附带安装用的内六角埋头小螺丝(SUS316L制)。请使用螺丝附带的服务(费用另计)。
强度

| 型号 | 破坏载荷(N)*1 | ||
|---|---|---|---|
| LR0 | LR90 | LA | |
| HNHGS-50-50-L | 10000 | 5000 | 5000 |
| HNHGS-60-60-L | 8000 | 6000 | 6000 |
| HNHGS-63-50-L | 10000 | 7000 | 5000 |
| HNHGS-76-50-L | 13000 | 7000 | 7000 |
| HNHGS-80-80-L | 10000 | 8000 | 8000 |
| HNHGS-90-60-L | 8000 | 8000 | 6000 |
| HNHGS-120-60-L | 21000 | 10000 | 13000 |
| HNHGS-120-80-L | 22000 | 13000 | 13000 |
| HNHGS-160-80-L | 28000 | 13000 | 15000 |
*1: 在不影响功能及外观的范围内,开始发生微小变形的载荷。









