尺寸・CAD
| 型号 | L(m) | 质量 (g) |
CAD下载 | 请求报价 |
|---|---|---|---|---|
| HNSWS-76-126-A | - | 788 | CAD | 请求报价 |
| HNSWS-76-126-B | - | 794 | CAD | 请求报价 |
| HNSWS-76-126-C | - | 825 | CAD | 请求报价 |
| HNSWS-76-126-CK-2 | 2 | 970 | CAD | 请求报价 |
| HNSWS-76-126-CK-5 | 5 | 1207 | CAD | 请求报价 |
材质、表面处理
| HNSWS | |
|---|---|
| 主体 | 不锈钢铸件(相当于SUS316) 研磨表面处理(Ra<0.8µm) |
| 销 | 相当于SUS316L |
特点
- 此种铰链可用于装置、安全栅栏等的门和盖板的安全开关和监视。
- 主体材质为耐腐蚀性优良的不锈钢铸件。
- 打开门时,开关的接点就会启动。通过NC接点在门打开的同时切断电路,同时通过NO接点通知门的打开。
- NC接点由于具备直接开路动作型的慢动作接点,所以可在动作时切实断开。
- 可以调整开关动作角度。
- 铰链为内螺纹型,从门的背面安装可以防止破坏。
-
有2种配线类型。
HNSWS-76-126-*----连接器型
HNSWS-76-126-CK-*----线缆型 - 连接器型可以从3种配线引出方向中选择。
- 连接器型HNSWS-76-126-*可以使用带连接器的线缆USCA-M12-8-*-*。
使用注意事项
- 请勿在以下环境中使用:
·由于急剧的温度变化而产生结露的场所
·对开关产生强烈振动的场所
·有爆炸性气体或易燃性气体的场所 -
安装过程中和安装后的注意事项
安装和维护必须由具备相关资格的人员实施。 -
冲击和振动
请勿对开关施以冲击。过度的冲击或振动可能无法保证开关的正常工作。 -
配线时的注意事项
请确认电压和电流小于“规格”中使用负荷类别规定的使用电压和电流。
请将接点保护用的保险丝串联使用。
在任何情况下,都不要打开开关的后盖。 -
使用限制
使用安全开关铰链(不锈钢制)HNSWS时请按照使用说明书充分遵守动作限度和安全事项。
使用安全开关铰链(不锈钢制)HNSWS时,必须了解并遵守以下标准。
·EN 954-1
·EN 60204-1
·EN 1088
·EN ISO 12100-1
·EN ISO 12100-2
请勿以下述未设想的用途或安装方法使用。
请勿用于核电站、火车、飞机、汽车、焚烧炉、医疗机械或其他需要两人以上且安全依赖于开关正确操作的用途。
安装
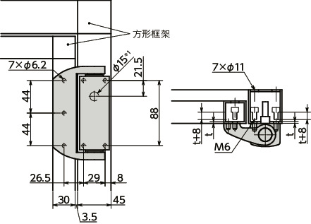
安装示例(将HNSWS-76-126-*安装到中空的□30和□45方形框架上时)
安装铰链使用的螺纹长度,请设定为安装对象门、盖板的厚度t尺寸+8mm。更长或更短可能会损坏铰链。
推荐的紧固扭矩为10N・m。
HNSWS-76-126-CHNSWS-76-126-CK-*可在门的内部配线。

*1: 使用HNSWS-76-126-CHNSWS-76-126-CK-*时
铰链的旋转角度
使用时铰链的旋转角度请勿超过180°。
配线、连接器
将安全开关铰链HNSWS作为安全开关(门联锁装置)时,电路必须连接NC接点,并串联NC接点电路保护用保险丝。
连接器型安全开关铰链HNSWS-76-126-*可以使用带连接器的线缆USCA-M12-8-*-*。
从电路中拔下连接器型HNSWS-76-126-*的连接器之前,请关闭电路电压。
连接器型HNSWS-76-126-*只能用于PELV电路。

*1: 仅限HNSWS-76-126-CK-*
开关动作角度的确认、调整
检查开关的工作角度,如有必要,请用一字螺丝刀调整工作角度。

关于铰链的开关功能,请在机器开始运转前确认开关工作正常。
之后,请确认每次铰链打开时,保护装置都会使机器停止。
关于调整前的动作角度,NC接点为2.5°,NO接点为4°。
NC接点和NO接点的开关动作角度可以同时向0°方向最大调整到2°。
不能单独调整NC接点和NO接点的开关动作角度。(例如:NC接点的动作角度调整为1.5°时,NO接点的动作角度调整为3°)
直接开路工作角度固定为7°。

密封塞的安装
安装铰链后,请务必使用附带的密闭塞堵住工作角度调整用孔。
如果未正确插入密闭塞,灰尘和液体可能会侵入电气接点,从而损坏设备的功能。

强度

| 容许载荷 | |||
|---|---|---|---|
| LA(N) | LR(N) | LR90(N) | T(N・m) |
| 2000 | 2000 | 2000 | 50 |
表中数值为参考值,并非保证值。
规格
| HNSWS-76-126-* 连接器型 |
HNSWS-76-126-CK-* 线缆型 |
|
|---|---|---|
| 使用负荷类别规定的 使用电压和电流 |
AC 15: AC24V / 2A*1 DC 13: DC24V / 2A*1 |
AC 15: AC250V / 3A*1 DC 13: DC250V / 0.3A*1 |
| 额定电压 | 最大DC36V、最大AC30V | 最大DC250V、最大AC250V |
| 保险丝额定 | 2A 500V, Typ gG | 3A 500V, Typ gG |
| 连接部 | 连接器(M12 A线 8极 公) | 散线 |
| 附条件短路电流 | 1000A*1 | |
| 接点材质 | 银合金 | |
| 开关原理 | 慢动作接点、直接开路动作型*2 | |
| 线缆 | 0.34mm2 9芯线缆 包覆:PVC H05VV-F*3 | |
| 操作速度 | 2°/s~90°/s*2 | |
| 每小时的最大开关次数 | 600 次/h*2 | |
| 机械寿命 | 约100万次*2 | |
| 使用温度范围 | -25℃~80℃ | |
| 可使用的污染度 | 3*1 | |
| IP保护等级 | IP67/IP69K*4 | |
| 认证 | CE标志 | |
| 安全等级 | SIL 3*5 | |
| 性能等级 | PL e*5 | |
| 可靠性数据 | B10: 1 000 000, B10 d: 5 000 000 B10 / B10 d: 20%*5 |
|
*1: 符合EN 60947-5-1
*2: 符合IEC 60947-5-1
*3: 符合IEC 60332-1
*4: 符合EN 60529
*5: 符合EN ISO 13849-1
门的重量
使用1个铰链时
F max.(N)=50,000(N・mm) / D(mm)
使用2个铰链时
F max.(N)=400,000(N・mm) / D(mm)
使用3个铰链时
F max.(N)=500,000(N・mm) / D(mm)












