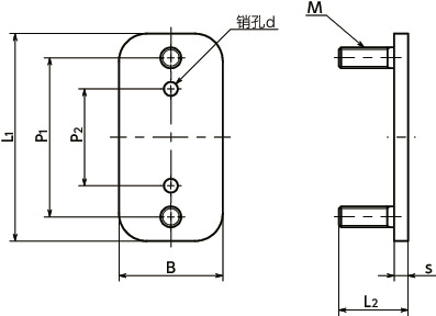
单位 : mm
| 型号 | L1 | L2 | B | M(粗牙) 螺纹公称直径 |
螺距 | d | P1 | P2 | s | 质量(g) | CAD下载 | 请求报价 |
|---|---|---|---|---|---|---|---|---|---|---|---|---|
| HNAMS-60-30-MT | 60 | 30 | 30 | M6 | 1 | 4 | 46 | 28 | 4 | 65 | CAD | 请求报价 |
材质、表面处理
| HNAMS | |
|---|---|
| 主体 | SUS304 |
特点
- 铝制大型滑动铰链HNMVAHNMMAHNMHA专用*1辅助垫片。
- 不锈钢制外螺纹型。
- 在外壳及门上加工通孔、或者通过焊接固定,均可安装铰链。
- 不使用螺栓和垫圈也能安装铰链。
- 用定位销固定销孔和铰链的定位孔,可以防止相互配合的零件转动。
*1: 不可用于不锈钢制大型滑动铰链HNNVSHNNMSHNNHS。
使用例








