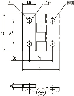
尺寸・CAD
单位 : mm
| 型号 | L2 | s | B1 | B2 | d | L1*1 | P1*1 | P2 | 质量 (g) |
CAD下载 | 请求报价 |
|---|---|---|---|---|---|---|---|---|---|---|---|
| HNBRS-30-1-MT | 30 | 1 | 10.8 | 6 | 4 | 30 | 18 | 18 | 2.2 | CAD | 请求报价 |
| HNBRS-30-1.5-MT | 30 | 1.5 | 10.8 | 6 | 4 | 30 | 18 | 18 | 3.3 | CAD | 请求报价 |
| HNBRS-30-3-MT | 30 | 3 | 10.8 | 6 | 4 | 30 | 18 | 18 | 6.4 | CAD | 请求报价 |
| HNBRS-30-5-MT | 30 | 5 | 10.8 | 6 | 4 | 30 | 18 | 18 | 10.5 | CAD | 请求报价 |
| HNBRS-40-1-MT | 40 | 1 | 14.5 | 7.5 | 5 | 40 | 25 | 25 | 4.1 | CAD | 请求报价 |
| HNBRS-40-1.5-MT | 40 | 1.5 | 14.5 | 7.5 | 5 | 40 | 25 | 25 | 6.1 | CAD | 请求报价 |
| HNBRS-40-3-MT | 40 | 3 | 14.5 | 7.5 | 5 | 40 | 25 | 25 | 12.1 | CAD | 请求报价 |
| HNBRS-40-5-MT | 40 | 5 | 14.5 | 7.5 | 5 | 40 | 25 | 25 | 20.1 | CAD | 请求报价 |
| HNBRS-50-1-MT | 50 | 1 | 18 | 10 | 6 | 50 | 30 | 30 | 6.4 | CAD | 请求报价 |
| HNBRS-50-1.5-MT | 50 | 1.5 | 18 | 10 | 6 | 50 | 30 | 30 | 10 | CAD | 请求报价 |
| HNBRS-50-3-MT | 50 | 3 | 18 | 10 | 6 | 50 | 30 | 30 | 20 | CAD | 请求报价 |
| HNBRS-50-5-MT | 50 | 5 | 18 | 10 | 6 | 50 | 30 | 30 | 30.8 | CAD | 请求报价 |
| HNBRS-60-1-MT | 60 | 1 | 21.5 | 12.5 | 8 | 60 | 36 | 36 | 9 | CAD | 请求报价 |
| HNBRS-60-1.5-MT | 60 | 1.5 | 21.5 | 12.5 | 8 | 60 | 36 | 36 | 13.6 | CAD | 请求报价 |
| HNBRS-60-3-MT | 60 | 3 | 21.5 | 12.5 | 8 | 60 | 36 | 36 | 27.2 | CAD | 请求报价 |
| HNBRS-60-5-MT | 60 | 5 | 21.5 | 12.5 | 8 | 60 | 36 | 36 | 43.6 | CAD | 请求报价 |
*1: 请选择安装的铰链尺寸与L1及P1一致的型号。
材质、表面处理
| HNBRS | |
|---|---|
| 主体 | SUS304 |
特点
- 用于调整铰链和安装面之间的间隙的辅助垫片。
- 不锈钢制。
- 与不锈钢制大型滑动铰链HNNVSHNNMSHNNHS及金属铰链组合使用。
使用例

适用铰链
| 型号 | 适用铰链 |
|---|---|
| HNBRS-30 | HNG-A/HNGA-A/HNGS-A-NI/HNGS-A-A4 |
| HNBRS-40 | HNG-C/HNGS-C-NI/HNG-A/HNGA-A/HNGS-A-NI/HNGS-A-A4/HNJ-A/HNJS-A/HNNVS/HNNMS/HNNHS |
| HNBRS-50 | HNG-C/HNGS-C-NI/HNG-A/HNGA-A/HNGS-A-NI/HNGS-A-A4/HNJ-A/HNJS-A/HNNVS/HNNMS/HNNHS |
| HNBRS-60 | HNG-C/HNGS-C-NI/HNG-A/HNGA-A/HNGS-A-NI/HNGS-A-A4/HNJ-A/HNJS-A/HNNVS/HNNMS/HNNHS |






