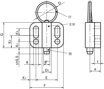
单位 : mm
| 型号 | G | t | e | F | D1 | R | E | K1 | K2 | K3 | B | D | s | 载荷(N) min./max. |
质量 (g) |
销的剪切载荷 (N) |
CAD下载 | 请求报价 |
|---|---|---|---|---|---|---|---|---|---|---|---|---|---|---|---|---|---|---|
| PBX-8-R | 33 | 6 | 12.5 | 34 | 12 | 5.4 | 23 | 5.5 | 12 | 15.5 | 8 | 30 | 8 | 6/22 | 57 | 4660 | CAD | 请求报价 |
材质、表面处理
| PBX-R | |
|---|---|
| 环 | SUS301 |
| 主体 | 锌压铸件 静电喷涂(亚光黑) |
| 销 | SUS303 |
| 弹簧 | SUS301 |
特点
- 将分度柱塞和安装法兰一体化。
- 适用于设备、装置等的壁面安装。
- 安装时请使用市售的内六角螺栓。
- 使用长孔时,安装后可进行位置调整。
-
可根据产品符号选择操作部的类型。
PBX-A----旋钮型
PBX-R----环型








