尺寸・CAD
单位 : mm
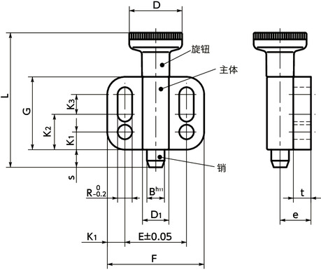
| 型号 | D | L | G | t | e | F | D1 | R | E | K1 | K2 | K3 | B | s | 载荷(N) min./max. |
质量 (g) |
销的剪切载荷 (N) |
CAD下载 | 请求报价 |
|---|---|---|---|---|---|---|---|---|---|---|---|---|---|---|---|---|---|---|---|
| PBXS-4-A | 12 | 31 | 16.5 | 4 | 7 | 22 | 6 | 3.3 | 14 | 4 | 8 | 4.5 | 4 | 4 | 3/12 | 12 | 1160 | CAD | 请求报价 |
| PBXS-5-A | 16 | 40 | 22 | 4.5 | 9.5 | 28 | 8 | 4.3 | 18 | 5 | 10 | 7 | 5 | 5 | 5/24 | 24 | 1820 | CAD | 请求报价 |
| PBXS-6-A | 18 | 49 | 27.5 | 5 | 10.5 | 32 | 10 | 5.4 | 21 | 5.5 | 12 | 10 | 6 | 6 | 5/21 | 41 | 2620 | CAD | 请求报价 |
| PBXS-8-A | 21 | 59 | 33 | 6 | 12.5 | 34 | 12 | 5.4 | 23 | 5.5 | 12 | 15.5 | 8 | 8 | 6/22 | 65 | 4660 | CAD | 请求报价 |
| PBXS-10-A | 25 | 67.5 | 35 | 6 | 14.5 | 39 | 14.5 | 6.5 | 27 | 6 | 15 | 13.5 | 10 | 10 | 4/25 | 106 | 7280 | CAD | 请求报价 |
材质、表面处理
| PBXS | |
|---|---|
| 旋钮 | 尼龙6(亚光黑) |
| 主体 | SCS13(相当于SUS304) 喷丸 |
| 销 | SUS303 |
| 弹簧 | SUS301 |
特点
- 将分度柱塞和安装法兰一体化。
- 金属零件为不锈钢制,耐腐蚀性优良。
- 适合在设备、装置等的壁面上安装。
- 请使用市售的内六角螺栓等进行安装。
- 使用长孔时,安装后可进行位置调整。










