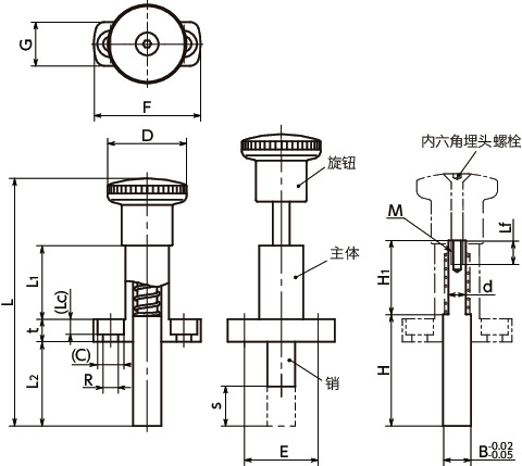
单位 : mm
| 型号 | D | L | L1 | L2 | Lc | C | R | B | E | F | G | s | t | d | M | H | H1 | Lf | 载荷(N) min./max. |
质量 (g) |
销的剪切载荷 (N) |
CAD下载 | 请求报价 |
|---|---|---|---|---|---|---|---|---|---|---|---|---|---|---|---|---|---|---|---|---|---|---|---|
| PFAX-7-9 | 23 | 68 | 22 | 20 | 4.3 | 7.8 | 4.3 | 7 | 22 | 34 | 13 | 11 | 6 | 5 | M3 | 27.5 | 21.1 | 7 | 6/25 | 47 | 3570 | CAD | 请求报价 |
材质、表面处理
| PFAX | |
|---|---|
| 旋钮 | 尼龙6(亚光黑) |
| 主体 | 锌压铸件 静电喷涂(黑) |
| 销 | SUS303 |
| 内六角埋头螺栓 | SUS304 |
特点
- 可以拆装销的分度柱塞。
- 可以拆下销,轻松追加工销的前端。
- 销用附带的内六角埋头螺栓固定。
- 请使用内六角螺栓安装到设备或装置上。
| 型号 | 螺纹尺寸 |
|---|---|
| PFAX-7 | M4 |
| PFAX-8 | M5 |
| PFAX-10 | M5 |







