尺寸・CAD
单位 : mm
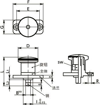
| 型号 | D | I | L | L1 | L2 | sw | R | B | E | F | G | s | t | 载荷(N) min./max. |
质量 (g) |
销的剪切载荷 (N) |
CAD下载 | 请求报价 |
|---|---|---|---|---|---|---|---|---|---|---|---|---|---|---|---|---|---|---|
| PFHY-4-5 | 21 | 8 | 27.5 | 2 | 5 | 10 | 4.3 | 4 | 25 | 35 | 15 | 5 | 4 | 4/12 | 23 | 1160 | CAD | 请求报价 |
| PFHY-4-10 | 21 | 8 | 32.5 | 2 | 10 | 10 | 4.3 | 4 | 25 | 35 | 15 | 5 | 4 | 4/12 | 23 | 1160 | CAD | 请求报价 |
| PFHY-5-6 | 25 | 10 | 34 | 2.5 | 6 | 12 | 4.3 | 5 | 30 | 40 | 18 | 6 | 4 | 6/16 | 39 | 1820 | CAD | 请求报价 |
| PFHY-5-12 | 25 | 10 | 40 | 2.5 | 12 | 12 | 4.3 | 5 | 30 | 40 | 18 | 6 | 4 | 6/16 | 40 | 1820 | CAD | 请求报价 |
| PFHY-6-6 | 25 | 10 | 34 | 2.5 | 6 | 12 | 4.3 | 6 | 30 | 40 | 18 | 6 | 4 | 6/16 | 39 | 2620 | CAD | 请求报价 |
| PFHY-6-12 | 25 | 10 | 40 | 2.5 | 12 | 12 | 4.3 | 6 | 30 | 40 | 18 | 6 | 4 | 6/16 | 41 | 2620 | CAD | 请求报价 |
| PFHY-8-10 | 33 | 14 | 47.5 | 2.5 | 10 | 17 | 5.3 | 8 | 38 | 50 | 23 | 10 | 5 | 11/35 | 94 | 4660 | CAD | 请求报价 |
| PFHY-8-20 | 33 | 14 | 57.5 | 2.5 | 20 | 17 | 5.3 | 8 | 38 | 50 | 23 | 10 | 5 | 11/35 | 98 | 4660 | CAD | 请求报价 |
| PFHY-10-10 | 33 | 14 | 47.5 | 2.5 | 10 | 17 | 5.3 | 10 | 38 | 50 | 23 | 10 | 5 | 11/35 | 96 | 7280 | CAD | 请求报价 |
| PFHY-10-20 | 33 | 14 | 57.5 | 2.5 | 20 | 17 | 5.3 | 10 | 38 | 50 | 23 | 10 | 5 | 11/35 | 102 | 7280 | CAD | 请求报价 |
材质、表面处理
| PFHY | |
|---|---|
| 旋钮 | 尼龙6(亚光黑) |
| 主体、法兰 | 锌压铸件 静电喷涂(亚光黑) |
| 销 | SUS303 |
| 弹簧 | SUS301 |
特点
- 带法兰分度柱塞。
- 与带法兰分度柱塞PFY(PFY)相比,零件件数减少,提高了性价比。
- 带锁定机构。拉起旋钮后旋转30°,可在销缩回的状态下锁定。
- 解除锁定时,略微拉起旋钮后旋转30°。在内置弹簧力的作用下复位。
- 销径φ4-φ10,产品规格丰富。
- 各销径的2种销长度已实现标准化。可根据安装部尺寸进行选择。










