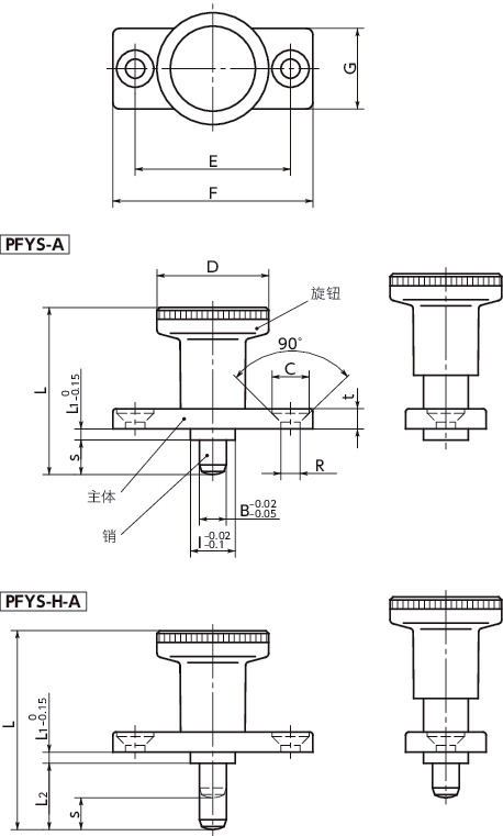
尺寸・CAD
单位 : mm
| 型号 | B | s | D | I | L | L1 | L2 | C | R | E | F | G | t | 载荷(N) min./max. |
质量 (g) |
容许拉伸载荷(N) | 销的剪切载荷 (N) |
CAD下载 | 请求报价 |
|---|---|---|---|---|---|---|---|---|---|---|---|---|---|---|---|---|---|---|---|
| PFYS-6-A | 6 | 6 | 25 | 10 | 37 | 2.5 | - | 8.3 | 4.3 | 30 | 40 | 18 | 4.5 | 9/25 | 36 | 400 | 2620 | CAD | 请求报价 |
| PFYS-8-A | 8 | 8 | 31 | 12 | 44 | 2.5 | - | 10.4 | 5.3 | 34 | 46 | 20 | 5.5 | 13/26 | 59 | 500 | 4660 | CAD | 请求报价 |
| PFYS-6H-A | 6 | 6 | 25 | 10 | 45 | 2.5 | 14 | 8.3 | 4.3 | 30 | 40 | 18 | 4.5 | 9/25 | 38 | 400 | 2620 | CAD | 请求报价 |
| PFYS-8H-A | 8 | 8 | 31 | 12 | 54 | 2.5 | 18 | 10.4 | 5.3 | 34 | 46 | 20 | 5.5 | 13/26 | 60 | 500 | 4660 | CAD | 请求报价 |
材质、表面处理
| PFYS | |
|---|---|
| 旋钮 | 尼龙6(亚光黑) |
| 主体 | 锌压铸件 三价铬酸盐处理 |
| 销 | 相当于SUS303 镀镍 |
| 弹簧 | 相当于SUS301 |
特点
- 通过平头螺栓、软性拉动式门锁等安装的法兰型分度柱塞。带锁定机构。
- 长销型PFYS-H-A最适用于厚面板、框架等的安装。
- 拉起旋钮后旋转90°,可在销缩回的状态下锁定。解除锁定时,略微拉起旋钮后旋转90°。在内置弹簧力的作用下复位。
- 锁定机构内置于旋钮内。因此,全长与无锁定机构的PFXS相同。PFXS
强度
| 型号 | 容许拉伸载荷(N) |
|---|---|
| PFYS-6-A | 400 |
| PFYS-8-A | 500 |
| PFYS-6H-A | 400 |
| PFYS-8H-A | 500 |
旋钮有可能脱落,因此旋钮的拉伸载荷请不要超过上表的数值。










