尺寸・CAD
单位 : mm
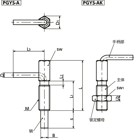
| 型号 | 锁定螺母的 有无 |
M(粗牙) 螺纹公称直径 |
螺距 | D | D1 | L | L1 | L2 | L3 | Lb | sw | sw1 | B | s | 最大紧固 扭矩 (N・m) |
载荷(N) min./max. |
质量 (g) |
销的剪切载荷 (N) |
CAD下载 | 请求报价 |
|---|---|---|---|---|---|---|---|---|---|---|---|---|---|---|---|---|---|---|---|---|
| PGYS-4-9.5-M6-A | - | M6 | 1 | 2.5 | 6.9 | 32 | 20 | 2.5 | 16 | - | 6 | - | 4 | 9.5 | 1.6 | 3/10 | 6 | 1160 | CAD | 请求报价 |
| PGYS-5-12-M8-A | - | M8 | 1.25 | 3 | 9.2 | 42 | 27 | 3.1 | 19.5 | - | 8 | - | 5 | 12 | 4.5 | 3.5/13.5 | 14 | 1820 | CAD | 请求报价 |
| PGYS-6-14-M10-A | - | M10 | 1.5 | 3.5 | 11.5 | 51 | 33.5 | 3.7 | 24 | - | 10 | - | 6 | 14 | 10 | 4/16 | 27 | 2620 | CAD | 请求报价 |
| PGYS-8-19-M12-A | - | M12 | 1.75 | 5 | 13.8 | 54 | 31.8 | 4.3 | 32 | - | 12 | - | 8 | 19 | 13 | 4/22 | 43 | 4660 | CAD | 请求报价 |
| PGYS-10-25-M16-A | - | M16 | 2 | 5 | 19.6 | 77.5 | 50.5 | 5 | 33.5 | - | 16 | - | 10 | 25 | 42 | 4/23 | 104 | 7280 | CAD | 请求报价 |
| PGYS-4-9.5-M6-AK | ○ | M6 | 1 | 2.5 | 6.9 | 32 | 20 | 2.5 | 16 | 3.2 | 6 | 10 | 4 | 9.5 | 1.6 | 3/10 | 7 | 1160 | CAD | 请求报价 |
| PGYS-5-12-M8-AK | ○ | M8 | 1.25 | 3 | 9.2 | 42 | 27 | 3.1 | 19.5 | 4 | 8 | 13 | 5 | 12 | 4.5 | 3.5/13.5 | 17 | 1820 | CAD | 请求报价 |
| PGYS-6-14-M10-AK | ○ | M10 | 1.5 | 3.5 | 11.5 | 51 | 33.5 | 3.7 | 24 | 5 | 10 | 17 | 6 | 14 | 10 | 4/16 | 33 | 2620 | CAD | 请求报价 |
| PGYS-8-19-M12-AK | ○ | M12 | 1.75 | 5 | 13.8 | 54 | 31.8 | 4.3 | 32 | 6 | 12 | 19 | 8 | 19 | 13 | 4/22 | 51 | 4660 | CAD | 请求报价 |
| PGYS-10-25-M16-AK | ○ | M16 | 2 | 5 | 19.6 | 77.5 | 50.5 | 5 | 33.5 | 8 | 16 | 24 | 10 | 25 | 42 | 4/23 | 122 | 7280 | CAD | 请求报价 |
材质、表面处理
| PGYS-A | PGYS-AK | |
|---|---|---|
| 手柄部 | SUS303 | SUS303 |
| 主体 | SUS303 | SUS303 |
| 销 | SUS303 | SUS303 |
| 弹簧 | SUS301 | SUS301 |
| 锁定螺母 | - | SUS303 |
特点
- 适用于狭窄场所的分度柱塞。操作部采用细长结构。
- 拉起手柄后旋转,可在销缩回的状态下锁定。
- 解除锁定时,略微拉起手柄后旋转。在内置弹簧力的作用下复位。
- 配合侧孔的建议公差为(+0.03~+0.08)。
- 可根据型号的末尾符号选择锁定螺母的有无。
| 末尾符号 | 锁定螺母 |
|---|---|
| A | 无*1 |
| AK | 有 |
*1: 请使用防松件服务。⇒防松服务










