尺寸・CAD
选择
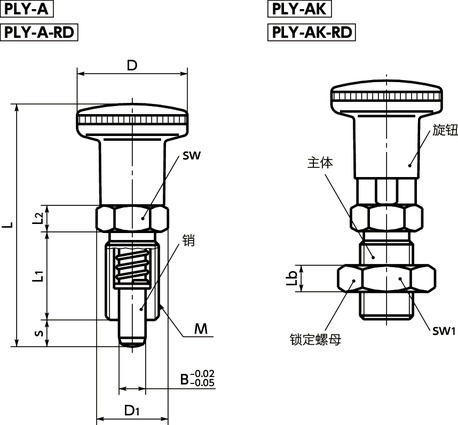
单位 : mm
| 型号 | 锁定螺母的 有无 |
M(细牙) 螺纹公称直径 |
螺距 | D | D1 | L | L1 | L2 | Lb | sw | sw1 | B | s | 载荷(N) min./max. |
质量 (g) |
销的剪切载荷 (N) |
适用轴环 | 旋钮轴环 | CAD下载 | 请求报价 |
|---|---|---|---|---|---|---|---|---|---|---|---|---|---|---|---|---|---|---|---|---|
| PLY-4-4-A | - | M8 | 1 | 16 | 11.5 | 39 | 16 | 5 | - | 10 | - | 4 | 4 | 4.5/12 | 12 | 1120 | PXCS-8-10-** | BK | CAD | 请求报价 |
| PLY-4-6-A | - | M8 | 1 | 16 | 11.5 | 41 | 16 | 5 | - | 10 | - | 4 | 6 | 4/12.5 | 13 | 1120 | PXCS-8-10-** | BK | CAD | 请求报价 |
| PLY-5-5-A | - | M10 | 1 | 19 | 13.8 | 45 | 18 | 6 | - | 12 | - | 5 | 5 | 5/15 | 21 | 1750 | PXCS-10-12-** | BK | CAD | 请求报价 |
| PLY-5-8-A | - | M10 | 1 | 19 | 13.8 | 48 | 18 | 6 | - | 12 | - | 5 | 8 | 5/18 | 22 | 1750 | PXCS-10-12-** | BK | CAD | 请求报价 |
| PLY-6-6-A | - | M12 | 1.5 | 23 | 16.2 | 54 | 22 | 6 | - | 14 | - | 6 | 6 | 6.5/19 | 35 | 2530 | PXCS-12-14-** | BK | CAD | 请求报价 |
| PLY-6-9-A | - | M12 | 1.5 | 23 | 16.2 | 57 | 22 | 6 | - | 14 | - | 6 | 9 | 6/25 | 36 | 2530 | PXCS-12-14-** | BK | CAD | 请求报价 |
| PLY-8-8-A | - | M16 | 1.5 | 28 | 19.6 | 66 | 26 | 8 | - | 17 | - | 8 | 8 | 8.5/26 | 71 | 4500 | PXCS-16-17-** | BK | CAD | 请求报价 |
| PLY-8-12-A | - | M16 | 1.5 | 28 | 19.6 | 70 | 26 | 8 | - | 17 | - | 8 | 12 | 8.5/28 | 73 | 4500 | PXCS-16-17-** | BK | CAD | 请求报价 |
| PLY-10-12-A | - | M16 | 1.5 | 28 | 19.6 | 70 | 26 | 8 | - | 17 | - | 10 | 12 | 9.5/38 | 74 | 7030 | PXCS-16-17-** | BK | CAD | 请求报价 |
| PLY-12-15-A | - | M20 | 1.5 | 33 | 25.4 | 86.5 | 33 | 10 | - | 22 | - | 12 | 15 | 11.5/40 | 135 | 10100 | PXCS-20-22-** | BK | CAD | 请求报价 |
| PLY-16-20-A | - | M24 | 2 | 33 | 31.2 | 98.5 | 38 | 12 | - | 27 | - | 16 | 20 | 13/54 | 220 | 18000 | - | BK | CAD | 请求报价 |
| PLY-4-4-AK | ○ | M8 | 1 | 16 | 11.5 | 39 | 16 | 5 | 4 | 10 | 13 | 4 | 4 | 4.5/12 | 17 | 1120 | PXCS-8-10-** | BK | CAD | 请求报价 |
| PLY-4-6-AK | ○ | M8 | 1 | 16 | 11.5 | 41 | 16 | 5 | 4 | 10 | 13 | 4 | 6 | 4/12.5 | 18 | 1120 | PXCS-8-10-** | BK | CAD | 请求报价 |
| PLY-5-5-AK | ○ | M10 | 1 | 19 | 13.8 | 45 | 18 | 6 | 5 | 12 | 17 | 5 | 5 | 5/15 | 28 | 1750 | PXCS-10-12-** | BK | CAD | 请求报价 |
| PLY-5-8-AK | ○ | M10 | 1 | 19 | 13.8 | 48 | 18 | 6 | 5 | 12 | 17 | 5 | 8 | 5/18 | 29 | 1750 | PXCS-10-12-** | BK | CAD | 请求报价 |
| PLY-6-6-AK | ○ | M12 | 1.5 | 23 | 16.2 | 54 | 22 | 6 | 6 | 14 | 18 | 6 | 6 | 6.5/19 | 45 | 2530 | PXCS-12-14-** | BK | CAD | 请求报价 |
| PLY-6-9-AK | ○ | M12 | 1.5 | 23 | 16.2 | 57 | 22 | 6 | 6 | 14 | 18 | 6 | 9 | 6/25 | 46 | 2530 | PXCS-12-14-** | BK | CAD | 请求报价 |
| PLY-8-8-AK | ○ | M16 | 1.5 | 28 | 19.6 | 66 | 26 | 8 | 8 | 17 | 24 | 8 | 8 | 8.5/26 | 91 | 4500 | PXCS-16-17-** | BK | CAD | 请求报价 |
| PLY-8-12-AK | ○ | M16 | 1.5 | 28 | 19.6 | 70 | 26 | 8 | 8 | 17 | 24 | 8 | 12 | 8.5/28 | 93 | 4500 | PXCS-16-17-** | BK | CAD | 请求报价 |
| PLY-10-12-AK | ○ | M16 | 1.5 | 28 | 19.6 | 70 | 26 | 8 | 8 | 17 | 24 | 10 | 12 | 9.5/38 | 94 | 7030 | PXCS-16-17-** | BK | CAD | 请求报价 |
| PLY-12-15-AK | ○ | M20 | 1.5 | 33 | 25.4 | 86.5 | 33 | 10 | 10 | 22 | 30 | 12 | 15 | 11.5/40 | 170 | 10100 | PXCS-20-22-** | BK | CAD | 请求报价 |
| PLY-16-20-AK | ○ | M24 | 2 | 33 | 31.2 | 98.5 | 38 | 12 | 12 | 27 | 36 | 16 | 20 | 13/54 | 283 | 18000 | - | BK | CAD | 请求报价 |
| PLY-4-4-A-RD | - | M8 | 1 | 16 | 11.5 | 39 | 16 | 5 | - | 10 | - | 4 | 4 | 4.5/12 | 12 | 1120 | PXCS-8-10-** | RD | CAD | 请求报价 |
| PLY-4-6-A-RD | - | M8 | 1 | 16 | 11.5 | 41 | 16 | 5 | - | 10 | - | 4 | 6 | 4/12.5 | 13 | 1120 | PXCS-8-10-** | RD | CAD | 请求报价 |
| PLY-5-5-A-RD | - | M10 | 1 | 19 | 13.8 | 45 | 18 | 6 | - | 12 | - | 5 | 5 | 5/15 | 21 | 1750 | PXCS-10-12-** | RD | CAD | 请求报价 |
| PLY-5-8-A-RD | - | M10 | 1 | 19 | 13.8 | 48 | 18 | 6 | - | 12 | - | 5 | 8 | 5/18 | 22 | 1750 | PXCS-10-12-** | RD | CAD | 请求报价 |
| PLY-6-6-A-RD | - | M12 | 1.5 | 23 | 16.2 | 54 | 22 | 6 | - | 14 | - | 6 | 6 | 6.5/19 | 35 | 2530 | PXCS-12-14-** | RD | CAD | 请求报价 |
| PLY-6-9-A-RD | - | M12 | 1.5 | 23 | 16.2 | 57 | 22 | 6 | - | 14 | - | 6 | 9 | 6/25 | 36 | 2530 | PXCS-12-14-** | RD | CAD | 请求报价 |
| PLY-8-8-A-RD | - | M16 | 1.5 | 28 | 19.6 | 66 | 26 | 8 | - | 17 | - | 8 | 8 | 8.5/26 | 71 | 4500 | PXCS-16-17-** | RD | CAD | 请求报价 |
| PLY-8-12-A-RD | - | M16 | 1.5 | 28 | 19.6 | 70 | 26 | 8 | - | 17 | - | 8 | 12 | 8.5/28 | 73 | 4500 | PXCS-16-17-** | RD | CAD | 请求报价 |
| PLY-10-12-A-RD | - | M16 | 1.5 | 28 | 19.6 | 70 | 26 | 8 | - | 17 | - | 10 | 12 | 9.5/38 | 74 | 7030 | PXCS-16-17-** | RD | CAD | 请求报价 |
| PLY-12-15-A-RD | - | M20 | 1.5 | 33 | 25.4 | 86.5 | 33 | 10 | - | 22 | - | 12 | 15 | 11.5/40 | 135 | 10100 | PXCS-20-22-** | RD | CAD | 请求报价 |
| PLY-16-20-A-RD | - | M24 | 2 | 33 | 31.2 | 98.5 | 38 | 12 | - | 27 | - | 16 | 20 | 13/54 | 220 | 18000 | - | RD | CAD | 请求报价 |
| PLY-4-4-AK-RD | ○ | M8 | 1 | 16 | 11.5 | 39 | 16 | 5 | 4 | 10 | 13 | 4 | 4 | 4.5/12 | 17 | 1120 | PXCS-8-10-** | RD | CAD | 请求报价 |
| PLY-4-6-AK-RD | ○ | M8 | 1 | 16 | 11.5 | 41 | 16 | 5 | 4 | 10 | 13 | 4 | 6 | 4/12.5 | 18 | 1120 | PXCS-8-10-** | RD | CAD | 请求报价 |
| PLY-5-5-AK-RD | ○ | M10 | 1 | 19 | 13.8 | 45 | 18 | 6 | 5 | 12 | 17 | 5 | 5 | 5/15 | 28 | 1750 | PXCS-10-12-** | RD | CAD | 请求报价 |
| PLY-5-8-AK-RD | ○ | M10 | 1 | 19 | 13.8 | 48 | 18 | 6 | 5 | 12 | 17 | 5 | 8 | 5/18 | 29 | 1750 | PXCS-10-12-** | RD | CAD | 请求报价 |
| PLY-6-6-AK-RD | ○ | M12 | 1.5 | 23 | 16.2 | 54 | 22 | 6 | 6 | 14 | 18 | 6 | 6 | 6.5/19 | 45 | 2530 | PXCS-12-14-** | RD | CAD | 请求报价 |
| PLY-6-9-AK-RD | ○ | M12 | 1.5 | 23 | 16.2 | 57 | 22 | 6 | 6 | 14 | 18 | 6 | 9 | 6/25 | 46 | 2530 | PXCS-12-14-** | RD | CAD | 请求报价 |
| PLY-8-8-AK-RD | ○ | M16 | 1.5 | 28 | 19.6 | 66 | 26 | 8 | 8 | 17 | 24 | 8 | 8 | 8.5/26 | 91 | 4500 | PXCS-16-17-** | RD | CAD | 请求报价 |
| PLY-8-12-AK-RD | ○ | M16 | 1.5 | 28 | 19.6 | 70 | 26 | 8 | 8 | 17 | 24 | 8 | 12 | 8.5/28 | 93 | 4500 | PXCS-16-17-** | RD | CAD | 请求报价 |
| PLY-10-12-AK-RD | ○ | M16 | 1.5 | 28 | 19.6 | 70 | 26 | 8 | 8 | 17 | 24 | 10 | 12 | 9.5/38 | 94 | 7030 | PXCS-16-17-** | RD | CAD | 请求报价 |
| PLY-12-15-AK-RD | ○ | M20 | 1.5 | 33 | 25.4 | 86.5 | 33 | 10 | 10 | 22 | 30 | 12 | 15 | 11.5/40 | 170 | 10100 | PXCS-20-22-** | RD | CAD | 请求报价 |
| PLY-16-20-AK-RD | ○ | M24 | 2 | 33 | 31.2 | 98.5 | 38 | 12 | 12 | 27 | 36 | 16 | 20 | 13/54 | 283 | 18000 | - | RD | CAD | 请求报价 |
材质、表面处理
| PLY-A | PLY-AK | PLY-A-RD | PLY-AK-RD | |
|---|---|---|---|---|
| 旋钮 | 尼龙6(亚光黑) | 尼龙6(亚光黑) | 尼龙6(亚光红) | 尼龙6(亚光红) |
| 主体 | SUM22L 四氧化三铁保护膜(黑) |
SUM22L 四氧化三铁保护膜(黑) |
SUM22L 四氧化三铁保护膜(黑) |
SUM22L 四氧化三铁保护膜(黑) |
| 销 | S45C(硬度50-60HRC) | S45C(硬度50-60HRC) | S45C(硬度50-60HRC) | S45C(硬度50-60HRC) |
| 弹簧 | SUS301 | SUS301 | SUS301 | SUS301 |
| 锁定螺母 | - | S45C 四氧化三铁保护膜(黑) |
- | S45C 四氧化三铁保护膜(黑) |
特点
- 各销径的2种行程已实现标准化
(销径:φ10、φ12、φ16除外)。 - 拉起旋钮后旋转90°,可在销缩回的状态下锁定。
- 解除锁定时,略微拉起旋钮后旋转90°。在内置弹簧力的作用下复位。
- 锁定机构内置于旋钮内。因此,全长与无锁定机构的PLX相同。PLX
- 销已经过淬火处理。耐磨损性优良。
- PLY-A-RD PLY-AK-RD的旋钮为红色。旋钮的诱目性高,适于明确操作位置及操作步骤。
- 可根据产品符号选择锁定螺母的有无及旋钮的颜色。
| 产品符号 | 锁定螺母 | 旋钮颜色 |
|---|---|---|
| PLY-A | 无*1 | 亚光黑 |
| PLY-AK | 有 | 亚光黑 |
| PLY-A-RD | 无*1 | 亚光红 |
| PLY-AK-RD | 有 | 亚光红 |
*1: 请使用防松件服务。⇒防松服务











