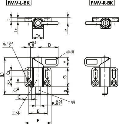
单位 : mm
| 型号 | B | s | D | L | Lc | H | e | D1 | C | R | R1 | E | F | K1 | K2 | K3 | G | t | 载荷(N) min./max. |
质量 (g) |
销的剪切载荷 (N) |
CAD下载 | 请求报价 |
|---|---|---|---|---|---|---|---|---|---|---|---|---|---|---|---|---|---|---|---|---|---|---|---|
| PMV-12-20-L-BK | 12 | 14 | 37 | 68 | 6 | 16 | 10 | 20 | 10 | 6.1 | 6.1 | 34 | 48 | 7.5 | 18 | 12 | 35 | 7.5 | 14/35 | 184 | 10100 | CAD | 请求报价 |
材质、表面处理
| PMV | |
|---|---|
| 手柄 | 精密铸钢产品 三价铬酸盐处理 |
| 主体 | 精密铸钢产品 静电喷涂(亚光黑) |
| 销 | 钢 三价铬酸盐处理 |
| 弹簧 | 相当于SUS316Ti |
特点
- 将手柄型分度柱塞和安装用法兰一体化。易于安装到设备、装置上。
- 销的动作方向与法兰面平行。
- 将手柄旋转180°可将销收纳到主体中。
- 通过主体上加工的切口可锁定手柄。
- 主体为精密铸钢制。减少了机械加工,从而提高了性价比。
-
可根据产品符号选择手柄的方向。
PMV-L-BK----销收起时手柄向左
PMV-R-BK----销收起时手柄向右







