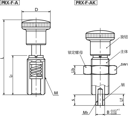
尺寸・CAD
单位 : mm
| 型号 | 锁定螺母的 有无 |
M(细牙) 螺纹公称直径 |
螺距 | M1(粗牙) 螺纹公称直径 |
螺距 | D | L | L1 | Lb | sw1 | B | s | Lf | 载荷(N) min./max. |
质量 (g) |
旋钮颜色 | CAD下载 | 请求报价 |
|---|---|---|---|---|---|---|---|---|---|---|---|---|---|---|---|---|---|---|
| PRX-5-6-F-A | - | M10 | 1 | M3 | 0.5 | 16 | 42 | 22 | - | - | 5 | 6 | 7 | 8/20 | 12 | BK | CAD | 请求报价 |
| PRX-6-7-F-A | - | M12 | 1.5 | M4 | 0.7 | 19 | 49 | 26 | - | - | 6 | 7 | 7 | 9/28 | 20 | BK | CAD | 请求报价 |
| PRX-8-9-F-A | - | M16 | 1.5 | M5 | 0.8 | 23 | 65 | 34 | - | - | 8 | 9 | 9 | 12/40 | 47 | BK | CAD | 请求报价 |
| PRX-10-11-F-A | - | M20 | 1.5 | M6 | 1 | 28 | 78 | 43 | - | - | 10 | 11 | 12 | 22/50 | 93 | BK | CAD | 请求报价 |
| PRX-5-6-F-AK | ○ | M10 | 1 | M3 | 0.5 | 16 | 42 | 22 | 5 | 17 | 5 | 6 | 7 | 8/20 | 19 | BK | CAD | 请求报价 |
| PRX-6-7-F-AK | ○ | M12 | 1.5 | M4 | 0.7 | 19 | 49 | 26 | 6 | 18 | 6 | 7 | 7 | 9/28 | 34 | BK | CAD | 请求报价 |
| PRX-8-9-F-AK | ○ | M16 | 1.5 | M5 | 0.8 | 23 | 65 | 34 | 8 | 24 | 8 | 9 | 9 | 12/40 | 65 | BK | CAD | 请求报价 |
| PRX-10-11-F-AK | ○ | M20 | 1.5 | M6 | 1 | 28 | 78 | 43 | 10 | 30 | 10 | 11 | 12 | 22/50 | 113 | BK | CAD | 请求报价 |
材质、表面处理
| PRX-F-A | PRX-F-AK | |
|---|---|---|
| 旋钮 | 尼龙6(亚光黑) | 尼龙6(亚光黑) |
| 主体 | SUM22L 四氧化三铁保护膜(黑) |
SUM22L 四氧化三铁保护膜(黑) |
| 销 | SUS303 镀镍 |
SUS303 镀镍 |
| 弹簧 | SWPB | SWPB |
| 锁定螺母 | - | S45C 四氧化三铁保护膜(黑) |
特点
- 推压型分度柱塞。
- 销的前端带内螺纹孔,可根据用途安装附件。
- 销通常收纳在主体中。按住旋钮时,销从主体伸出。松开旋钮后,在内置弹簧力的作用下销被收纳在主体中。
- 销已经过镀镍处理。耐磨损性优良。
- 可根据型号的末尾符号选择锁定螺母的有无。
| 末尾符号 | 锁定螺母 |
|---|---|
| A | 无*1 |
| AK | 有 |
*1:请使用防松件服务。(⇒防松服务 )











