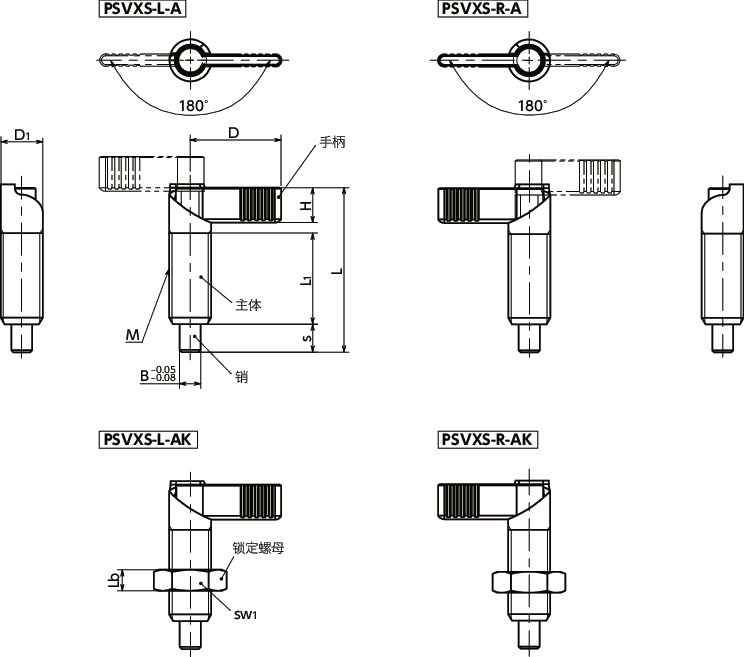
单位 : mm
| 型号 | 锁定螺母的 有无 |
M(细牙) 螺纹公称直径 |
螺距 | D | D1 | L | L1 | Lb | sw1 | H | B | s | 载荷(N) min./max. |
质量 (g) |
销的剪切载荷 (N) |
CAD下载 | 请求报价 |
|---|---|---|---|---|---|---|---|---|---|---|---|---|---|---|---|---|---|
| PSVXS-8-M16-R-A | - | M16 | 1.5 | 32 | 16 | 56 | 30 | - | - | 13 | 8 | 10 | 11/29 | 63 | 4660 | CAD | 请求报价 |
材质、表面处理
| PSVXS-L-A/PSVXS-R-A | PSVXS-L-AK/PSVXS-R-AK | |
|---|---|---|
| 手柄 | 相当于SUS316L | 相当于SUS316L |
| 主体 | SUS303 | SUS303 |
| 销 | SUS303 | SUS303 |
| 弹簧 | SUS301 | SUS301 |
| 锁定螺母 | - | SUS303 |
特点
- 转动手柄操作销插拔的分度柱塞。
- 将手柄旋转180°后可将销收纳到主体中。松开手柄时,在内置弹簧力的作用下复位。
- 手柄的操作角度限制为180°。此外,操作方向也保持固定,因此可防止误操作。
- 全不锈钢制。耐腐蚀性优良。
- 可根据产品符号选择手柄的操作方向。

- 可根据型号的末尾符号选择锁定螺母的有无。
| 末尾符号 | 锁定螺母 |
|---|---|
| A | 无*1 |
| AK | 有 |
*1: 请使用防松件服务。(⇒防松服务 )







