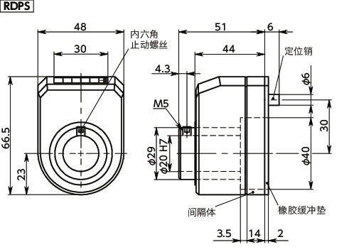
单位 : mm
| 型号 | 间距 | 旋转方向 | 读取方向 | 最高转速 (min-1) |
1圈显示*1 | 质量 (g) |
CAD下载 | 请求报价 |
|---|---|---|---|---|---|---|---|---|
| RDPS-10.0-L-AN-OR | 10 | L | AN | 250 | 0010.0 | 125 | CAD | 请求报价 |
*1: 小数点以后的数字用红色表示。
材质、表面处理
| RDPS | |
|---|---|
| 主体 | 尼龙6(橙色、灰色) |
| 轴套 | SUS303 |
| 内六角止动螺丝 | SUS303 |
| 橡胶缓冲垫 | 聚乙烯 |
| 间隔体 | 尼龙6(亚光黑) |
特点
- 轴套部采用耐腐蚀性优良的不锈钢制。
- 只需设置进给旋转轴,即可用数字显示进给量。
- 可根据进给旋转轴的间距进行选择。
- 所有产品均附带橡胶缓冲垫及固定旋转轴用的内六角止动螺丝。
- 为了防止水滴等的渗入,提高了轴套部的密封性。
- 旋转方向分为以下2种。

- 读取方向分为以下2种。

- 也生产主体颜色为灰色的产品。请垂询客户中心。

使用注意事项
与钢制轴套RDPRDT相比,轴套的旋转更为可靠。推荐与转动半径较大的手轮组合使用。安装了RDCS的数字定位指示器无法与指示器底座组合使用。选择时敬请注意。
安装











