尺寸・CAD
单位 : mm
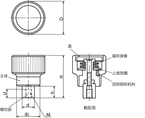
| 型号 | D | M(粗牙) 螺纹公称直径 |
螺距 | Lf min. | d | d2 | H | h | 设定扭矩(N・m) | 质量 (g) |
CAD下载 | 请求报价 |
|---|---|---|---|---|---|---|---|---|---|---|---|---|
| KTCF-27-M3-0.7 | 27 | M3 | 0.5 | 7 | 10 | 19 | 35 | 9.5 | 0.7 | 41 | CAD | 请求报价 |
| KTCF-27-M3-1 | 27 | M3 | 0.5 | 7 | 10 | 19 | 35 | 9.5 | 1 | 63 | CAD | 请求报价 |
| KTCF-27-M3-1.5 | 27 | M3 | 0.5 | 7 | 10 | 19 | 35 | 9.5 | 1.5 | 130 | CAD | 请求报价 |
材质、表面处理
| KTCF | |
|---|---|
| 主体 | 铝合金 阳极氧化(黑) |
| 螺纹部 | SUM22L 四氧化三铁保护膜(黑) |
| 盖 | 尼龙6(浅灰) |
特点
- 内置扭矩限制机构的旋钮。可进行紧固扭矩管理。
- 如果以大于设定扭矩的扭矩沿紧固方向转动,则旋钮会发生空转而无法进行设定扭矩以上的紧固。不沿松动方向空转。
- 紧固到设定扭矩之后,会有咔哒感,可确认紧固完成。
- 针对旋钮外径,3种类型的设定扭矩已实现标准化。请在型号的末尾指定设定扭矩值。
单位 : N・m
| 型号 | 设定扭矩±10% | ||
|---|---|---|---|
| KTCF-27-** | 0.7 | 1 | 1.5 |
| KTCF-34-** | 1 | 1.5 | 2.2 |
| KTCF-42-** | 2 | 2.5 | 3.2 |
| KTCF-52-** | 2.5 | 3 | 4 |
| KTCF-62-** | 3 | 4 | 5.5 |







