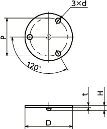
单位 : mm
| 型号 | D | P | d | H | t | 质量 (g) |
CAD下载 | 请求报价 |
|---|---|---|---|---|---|---|---|---|
| FSLA-AP-30 | 30 | 24 | 3.2 | 3.2 | 1.2 | 7 | CAD | 请求报价 |
材质、表面处理
| FSLA-AP | |
|---|---|
| 主体 | SUS303 |
特点
- FSLA-A用的可调板。
- 叠加在FSLA-A的底面上使用。
- 调节安装螺丝的旋入量后,底面的凸起成为支点,从而可调节FSLA-A的水平基准面。
使用例
通过调整安装螺丝的旋入量,可调整FSLA-A的水平基准。
*1: 不附带安装螺丝。
使用方法
将水平仪正确安装到测量对象上。测量对象倾斜时,根据标线与气泡的位置关系,确认倾斜方向及角度,调整测量对象,以使气泡处于标线的中心。

气泡管水平仪的种类
气泡管水平仪有圆形型和单轴型。圆形型可确认360°方向的水平和倾斜方向、角度。单轴型可确认沿着安装方向的一个方向上的水平和倾斜角度。
什么是灵敏度
气泡管水平仪的灵敏度是指使气泡移动一定长度所需的倾斜角度。NBK的气泡管水平仪上,将使气泡移动2mm所需的倾斜角度(')记作灵敏度W(1'=1/60°)。例如,W=6'/2mm时,要使气泡移动2mm,需要使气泡管水平仪倾斜6'。除了用(')(°)的角度表示外,灵敏度还使用代表与底边1m对应的高度的坡度(mm/m)形式来表示。
气泡管水平仪的灵敏度
| 灵敏度:使气泡移动2mm所需的倾斜角度 | 适用气泡管水平仪 | ||
|---|---|---|---|
| (') | (°) | 坡度(mm/m) | |
| 6 | 0.1 | 1.75 | FSLF-6 FSLF FSLH-6 FSLH FSLH-6-AB FSLH-AB FSLI-6 FSLI FSLI-6-AG FSLI-AG |
| 10 | 0.17 | 2.91 | FSLE FSLE |
| 30 | 0.5 | 8.73 | FSLA FSLA FSLB FSLB FSLC FSLC FSLD FSLD |
| 40 | 0.67 | 11.64 | FSLG FSLG |
| 50 | 0.83 | 14.55 | FSLF-50 FSLF FSLH-50 FSLH FSLH-50-AB FSLH-AB FSLI-50 FSLI FSLI-50-AG FSLI-AG |








