尺寸・CAD
单位 : mm
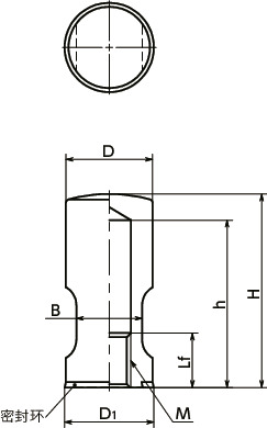
| 型号 | M | Lf | H | h | B | D | D1 | 质量 (g) |
适用密封环 | CAD下载 | 请求报价 |
|---|---|---|---|---|---|---|---|---|---|---|---|
| FKCS-M12-56-HD-H | M12 | 15.5 | 56 | 50 | 19 | 25 | 25.8 | 159 | FSRN-25-21-2-HD | CAD | 请求报价 |
| FKCS-M16-62-HD-H | M16 | 20.5 | 62 | 55 | 22 | 28 | 28.8 | 200 | FSRN-28-24-2-HD | CAD | 请求报价 |
| FKCS-M20-68-HD-H | M20 | 25.5 | 68 | 60 | 27 | 32 | 32.8 | 272 | FSRN-32-28-2-HD | CAD | 请求报价 |
| FKCS-M24-74-HD-H | M24 | 30.5 | 74 | 65 | 30 | 36 | 36.8 | 352 | FSRN-36-32-2-HD | CAD | 请求报价 |
材质、表面处理
| FKCS-HD-H | |
|---|---|
| 主体 | 相当于SUS304 |
| 密封环 | H-NBR(蓝) 肖氏硬度A85±5 |
特点
- 卫生型设计的套筒。适合于要求进行卫生管理的食品机械、医药品机械等用途。
- 有关卫生型设计,请参阅“卫生型家族”。
- 可代替锁定螺母作为连接零件发挥作用,在安装后螺丝不会外露。螺丝上不易积聚异物和液体,清扫性优良。
- 主体采用相当于SUS304的不锈钢制造,耐腐蚀性优良。
- 安装面的间隙使用密封环FSRN-HD密封。可防止异物或液体进入。FSRN-HD
- H-NBR制密封环使用了容易与食品区分的蓝色。此外,还使用了符合美国食品药品监督管理局(FDA)标准的材料。
- 已取得EHEDG(欧洲卫生工程・设计集团)制定的规范的认证。
- 已取得3A SSI(Sanitary Standard Inc.)制定的88-01及DGUV(德国法定灾害保险)制定的规范认证。
- 可使用温度:-25℃~150℃
使用例








