单位 : mm
| 型号 | L | L1 | L2 | A2 | A3 | A4 | A5 | B3 | B4 | B5 | 承受载荷(N/对) 1万次/10万次*1 |
重量*2 (g) |
CAD下载 | 请求报价 |
|---|---|---|---|---|---|---|---|---|---|---|---|---|---|---|
| TSA-500 | 500 | 370 | 845 | 145.5 | 209.5 | 337.5 | 465.5 | 242.5 | 282.5 | 357.5 | 280 / 220 | 630 | CAD | 请求报价 |
*1: 滑轨开关一个往复为1次。使用所有安装孔时的参考值。减少固定部位时,承受载荷将减少。
详情请参考技术资料。
*2: 每组2个的质量。材质、表面处理
| TSA | |
|---|---|
| 主体 | 钢 三价铬酸盐处理 |
| 球轴承 | 钢 淬火 |
| 球规 | 钢 镀锌 |
| 挡块 | 钢 三价铬酸盐处理 |
特点
- 二段抽拉式紧凑滑轨。
- 行程量大约为全闭时长度(L尺寸)的75%。
- 钢制的挡块防止内滑轨脱落。
- 在滑轨上将工具孔配置在与安装孔重叠的部分,确保即使滑轨重叠时也能使用工具安装。*1
- 本产品为2个1组。
- 各滑轨可安装在左右任意一侧。
*1: 虽然形状图中只标出安装孔,但可能还会存在其他孔。
用途
抽屉、滑动门、柜子各类工业设备、车辆设备、家具等
安装
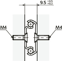
安装时请使用以下螺丝。安装方法请确认技术资料。
| 安装用推荐螺丝 | 内滑轨 | 外滑轨 |
|---|---|---|
| 十字槽埋头小螺钉 | M4 | M4 |
| 十字槽埋头自攻螺丝 | M3.5 | M3.5/M4 |
推荐螺丝强度等级:8.8
使用注意事项
- 请勿以超出最大滑动速度0.3m/s的速度使用,否则可能会导致故障、破损。并且,在关闭时请以0.15m/s以下的速度操作。
- 如果在关闭时施加较大冲击,请另行准备用于吸收冲击的挡块。
- 可使用温度为-20℃~100℃。在达到上限、下限温度的环境下,请确认滑轨动作是否正常。
- 使用前,请仔细阅读技术资料中的安全注意事项、使用注意事项,正确、安全地使用。







